DEWALT KREISSÄGEN KREISSGE DW384-46 Ersatzteile
DW384-46 KREISSGE

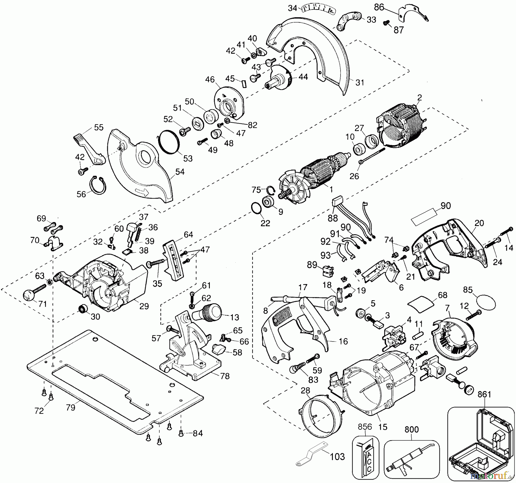
Hier finden Sie die Ersatzteilzeichnung für DEWALT HOLZARBEITEN KREISSÄGEN KREISSGE DW384-46 Seite 1. Wählen Sie das benötigte Ersatzteil aus der Ersatzteilliste Ihres DEWALT Gerätes aus und bestellen Sie einfach online. Viele DEWALT Ersatzteile halten wir ständig in unserem Lager für Sie bereit.


Qualitätsmanagement
Informieren Sie uns, wenn Sie einen Fehler gefunden haben.

