Einstellungen Computer

DEWALT JIG SAW, Ubaraba DW313-35 Ersatzteile

DW313-35 JIG SAW, Ubaraba

 DEWALT Divers JIG SAW, Ubaraba DW313-35 Seite 1

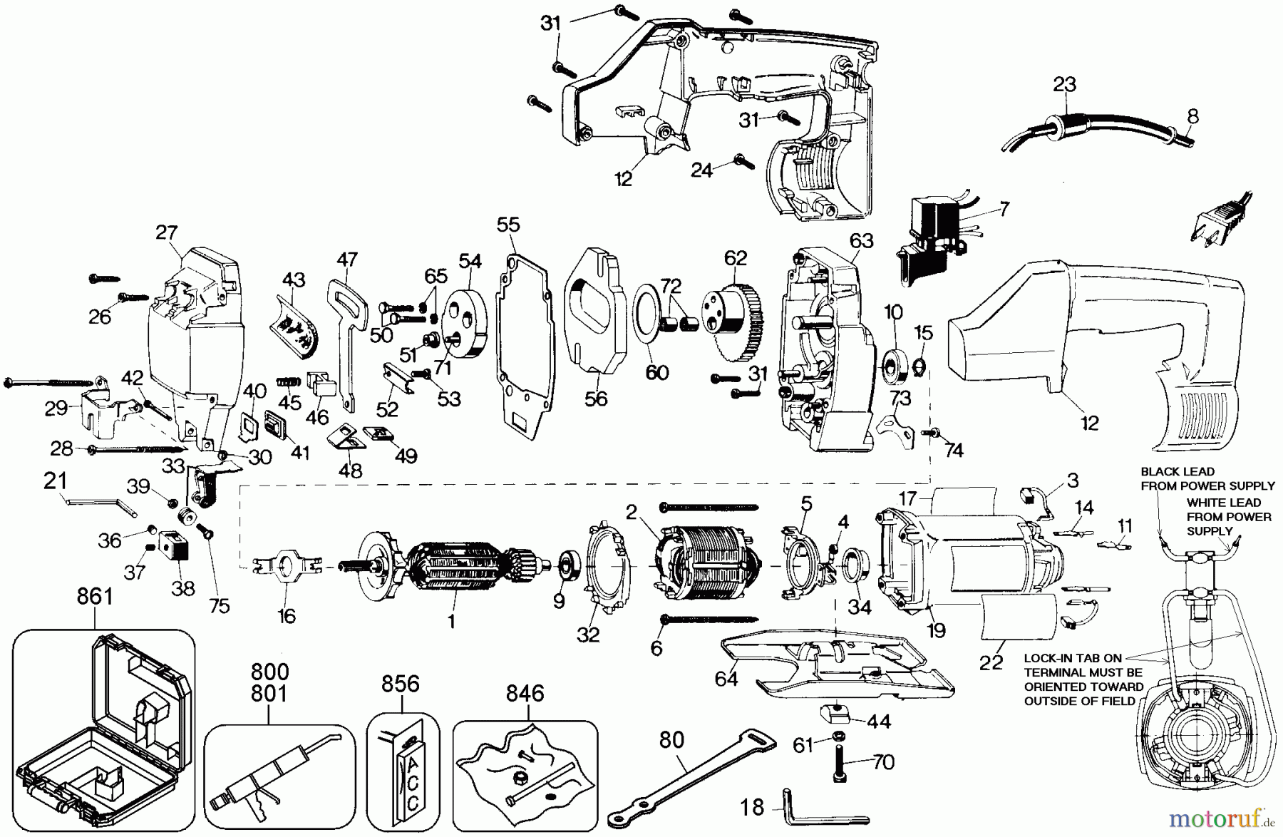
Hier finden Sie die Ersatzteilzeichnung für DEWALT Divers JIG SAW, Ubaraba DW313-35 Seite 1. Wählen Sie das benötigte Ersatzteil aus der Ersatzteilliste Ihres DEWALT Gerätes aus und bestellen Sie einfach online. Viele DEWALT Ersatzteile halten wir ständig in unserem Lager für Sie bereit.

BildNrArtikel NummerBezeichnung
1 SB-447844-01ANKER + LUEFTER
2 SB-448816-71FELD
3 SB-445861-25BRUSH 115V
4 SB-445860-00KOHLEFEDER
5 SB-449899-05RING
6 SB-445880-00SCHRAUBE
7 SB-380733-00SWITCH 115V
8 SB-330072-98KABELSATZ
9 SB-605040-06BEARING,BALL
10 SB-605040-15KUGELLAGER
11 SB-445881-99STREIFEN
12 SB-603209-00GRIFF ZSB
14 SB-449192-00ANSCHLUSSKLEMME
15 SB-444793-00SPRENGRING
16 SB-445874-00HALTER
17 SB-150869-05TYPENSCHILD
18 SB-098000-11InnensechskantSCHLUESSEL
19 SB-445857-03GEHAEUSE
21 SB-099056-04HEX WRENCH
22 SB-395047-00MARKENAUFKLEBER
23 SB-N918736KABELTUELLE
24 SB-330019-13SCHRAUBE
26 SB-330045-08SCHRAUBE
27 SB-133775-03GETR.GEH.ABDECKUNG
28 SB-330019-27SCHRAUBE
29 SB-400765-00FUHRUNG
30 SB-133825-00KLIP
31 SB-330019-14SCHRAUBE
32 SB-445876-00ABDECKUNG
33 SB-608389-00HALTER
34 SB-445217-02HUELSE
36 SB-445405-00SCHRAUBE
37 SB-330022-16SCHRAUBE
38 SB-444520-00MESSERKLEMME
39 SB-330015-01MUTTER
40 SB-133751-00SCHILD
41 SB-133755-00DICHTUNG
42 SB-133820-00STIFT
43 SB-133847-00OELER
44 SB-133750-00KLAMMER
45 SB-049161-00FEDER
46 SB-133756-00KUGELLAGER
47 SB-445387-00SCHIENE
48 SB-450285-00PLATTE
49 SB-133807-00DICHTUNG
50 SB-098022-26SCHRAUBE
51 SB-133762-00ROLLER
52 SB-133844-00KUGELLAGER
53 SB-330045-05SCHRAUBE
54 SB-133828-01SVPLATTE
55 SB-133765-00DICHTUNG
56 SB-133761-00GEWICHT
60 SB-133818-00UNTERLEGSCHEIBE
61 SB-98198-05UNTERLEGSCHEIBE
62 SB-133827-02GETRIEBE ZSB
63 SB-448817-01GETR.GEH.
64 SB-133770-00SCHUH
65 SB-445687-00UNTERLEGSCHEIBE
70 SB-098121-31SCHRAUBE
71 SB-386700-00STIFT
72 SB-330004-06NADELLAGER
73 SB-449977-00QUADRANT
74 SB-080164-00SCHRAUBE
75 SB-400851-00SCHRAUBE
80 SB-65288-02HALTER
800 SB-761995-01FETT
801 SB-283484-01FETT
846 SB-133833-13BAG,HARDWARE
856 SB-DW3681LJ.S. RIP FENCE
861 SB-000000-00NICHT MEHR LIEFERBAR
Rasen
Bankeinzug, MasterCard, Visa, American Express, PayPal, Nachnahme, Vorauskasse, Sofortüberweisung
Datenschutzerklärung Impressum
Qualitätsmanagement
Informieren Sie uns, wenn Sie einen Fehler gefunden haben.