DEWALT 3/4IN MR IMPACT WRENCH DW296 Ersatzteile
DW296 3/4IN MR IMPACT WRENCH

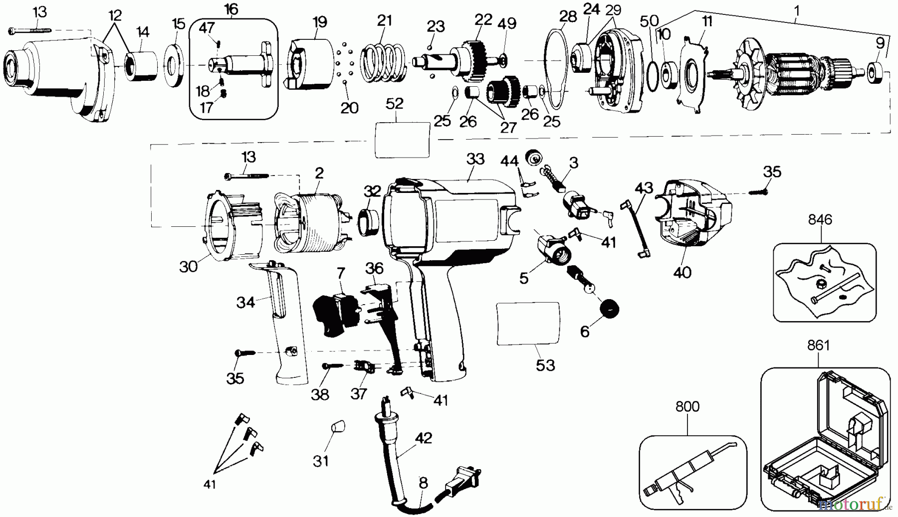
Hier finden Sie die Ersatzteilzeichnung für DEWALT Divers 3/4IN MR IMPACT WRENCH DW296 Seite 1. Wählen Sie das benötigte Ersatzteil aus der Ersatzteilliste Ihres DEWALT Gerätes aus und bestellen Sie einfach online. Viele DEWALT Ersatzteile halten wir ständig in unserem Lager für Sie bereit.


Qualitätsmanagement
Informieren Sie uns, wenn Sie einen Fehler gefunden haben.

