DEWALT 1/2 IMP.WRENCH DW292K Ersatzteile
DW292K 1/2 IMP.WRENCH

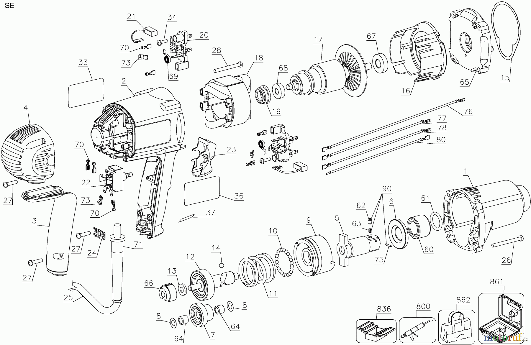
Hier finden Sie die Ersatzteilzeichnung für DEWALT Divers 1/2 IMP.WRENCH DW292K Seite 1. Wählen Sie das benötigte Ersatzteil aus der Ersatzteilliste Ihres DEWALT Gerätes aus und bestellen Sie einfach online. Viele DEWALT Ersatzteile halten wir ständig in unserem Lager für Sie bereit.


Qualitätsmanagement
Informieren Sie uns, wenn Sie einen Fehler gefunden haben.

