DEWALT 1/2 IMPACT KIT DW290K Ersatzteile
DW290K 1/2 IMPACT KIT

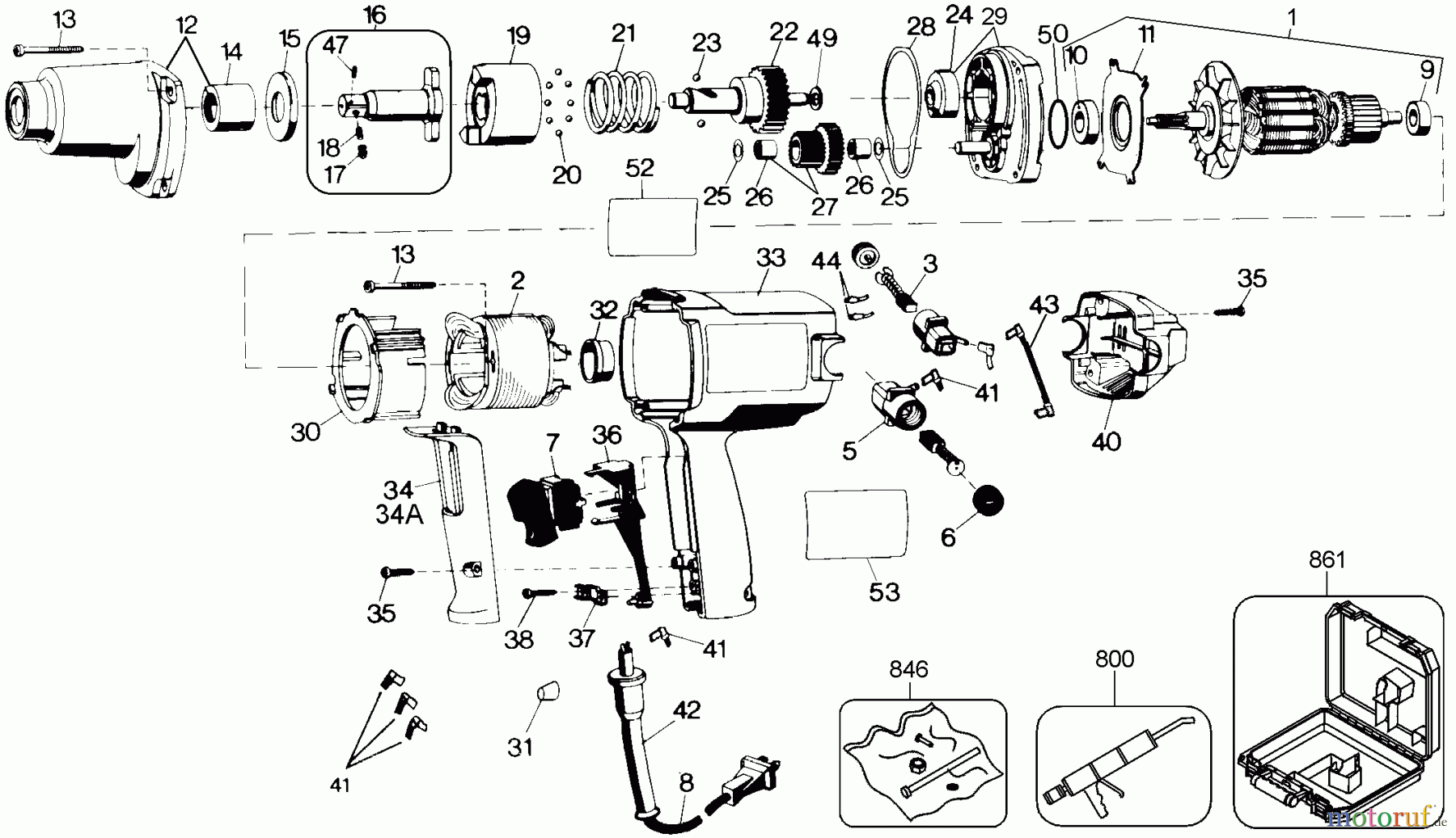
Hier finden Sie die Ersatzteilzeichnung für DEWALT Divers 1/2 IMPACT KIT DW290K Seite 1. Wählen Sie das benötigte Ersatzteil aus der Ersatzteilliste Ihres DEWALT Gerätes aus und bestellen Sie einfach online. Viele DEWALT Ersatzteile halten wir ständig in unserem Lager für Sie bereit.



