DEWALT ROTARY DRILL DW248L Ersatzteile
DW248L ROTARY DRILL

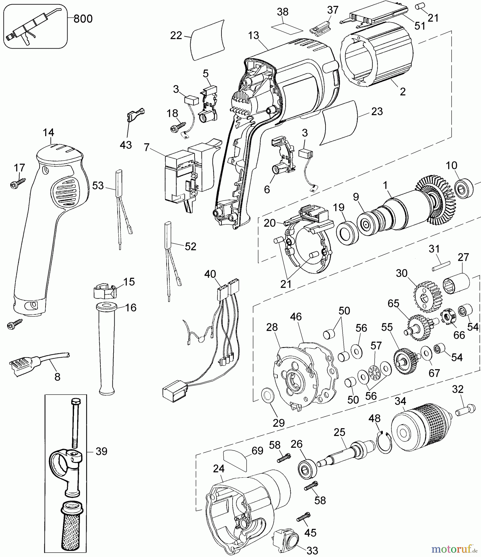
Hier finden Sie die Ersatzteilzeichnung für DEWALT Divers ROTARY DRILL DW248L Seite 1. Wählen Sie das benötigte Ersatzteil aus der Ersatzteilliste Ihres DEWALT Gerätes aus und bestellen Sie einfach online. Viele DEWALT Ersatzteile halten wir ständig in unserem Lager für Sie bereit.


Qualitätsmanagement
Informieren Sie uns, wenn Sie einen Fehler gefunden haben.

