DEWALT RADIALKREISSÄGEN RADIALARMSÄGE DW1201----B Ersatzteile
DW1201----B RADIALARMSÄGE

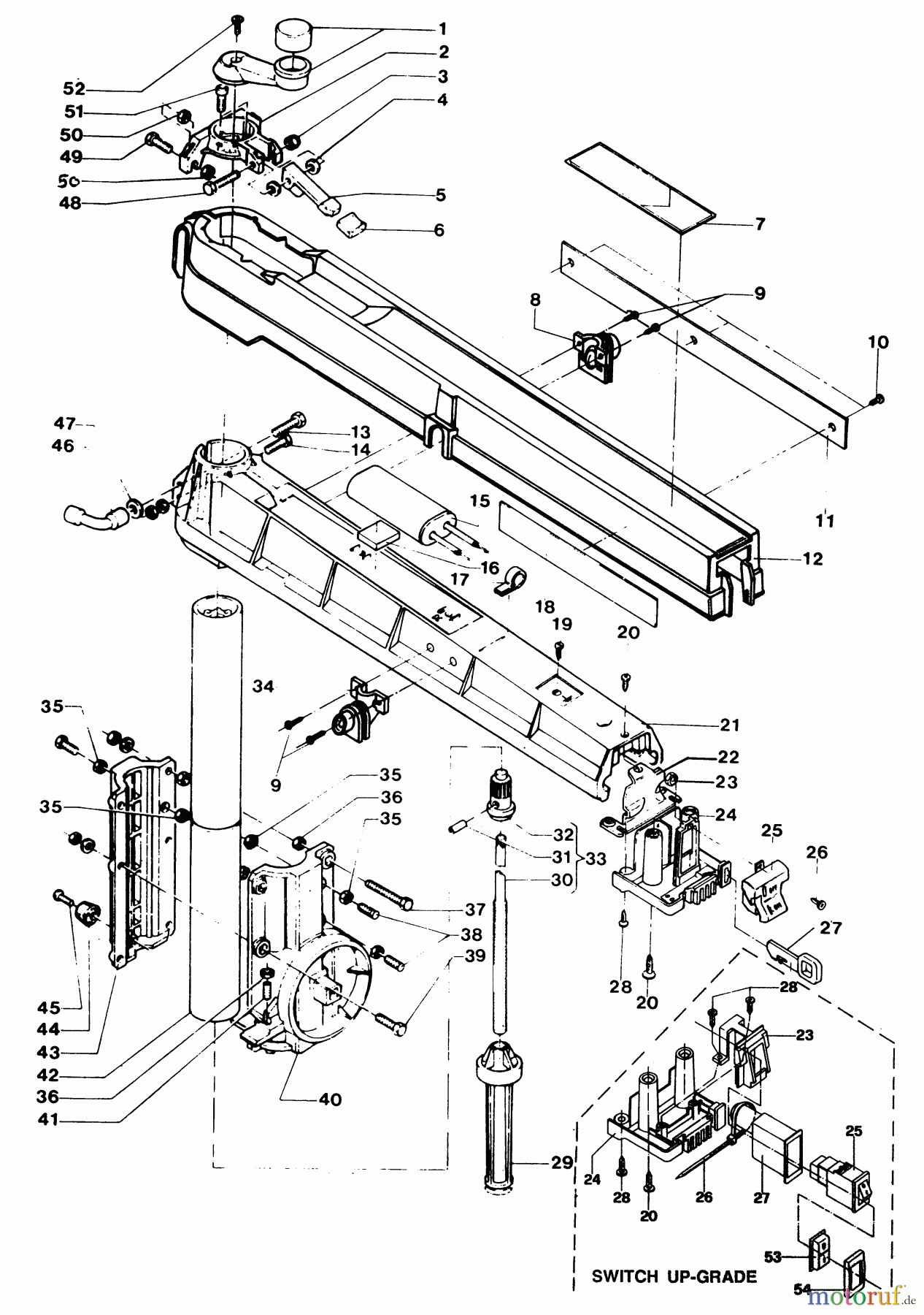
Hier finden Sie die Ersatzteilzeichnung für DEWALT HOLZARBEITEN RADIALKREISSÄGEN RADIALARMSÄGE DW1201----B Seite 1. Wählen Sie das benötigte Ersatzteil aus der Ersatzteilliste Ihres DEWALT Gerätes aus und bestellen Sie einfach online. Viele DEWALT Ersatzteile halten wir ständig in unserem Lager für Sie bereit.



