DEWALT 1/2 DRILL DW110 Ersatzteile
DW110 1/2 DRILL

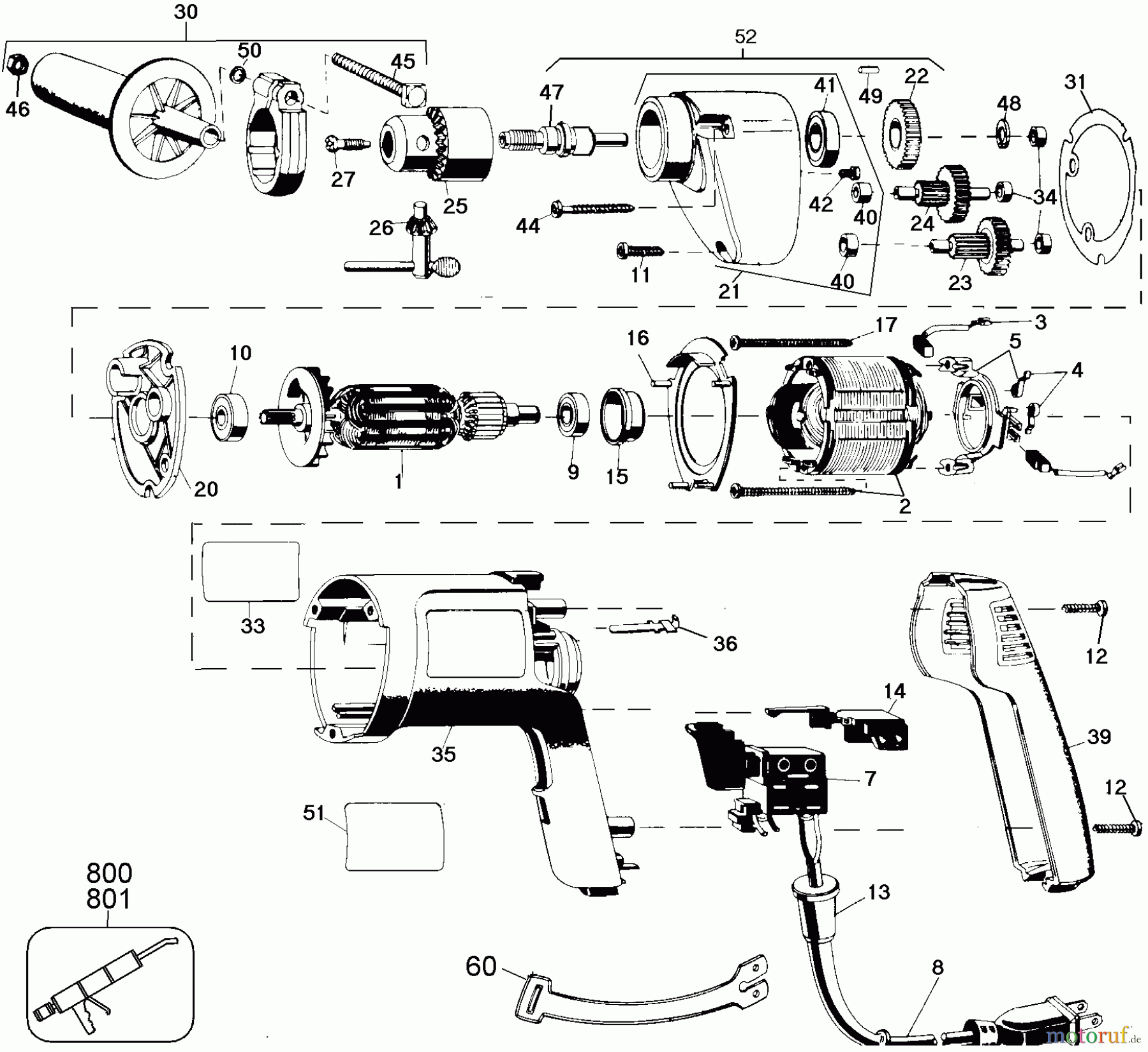
Hier finden Sie die Ersatzteilzeichnung für DEWALT Divers 1/2 DRILL DW110 Seite 1. Wählen Sie das benötigte Ersatzteil aus der Ersatzteilliste Ihres DEWALT Gerätes aus und bestellen Sie einfach online. Viele DEWALT Ersatzteile halten wir ständig in unserem Lager für Sie bereit.



