DEWALT 3/8IN VSR DRILL DW101 Ersatzteile
DW101 3/8IN VSR DRILL

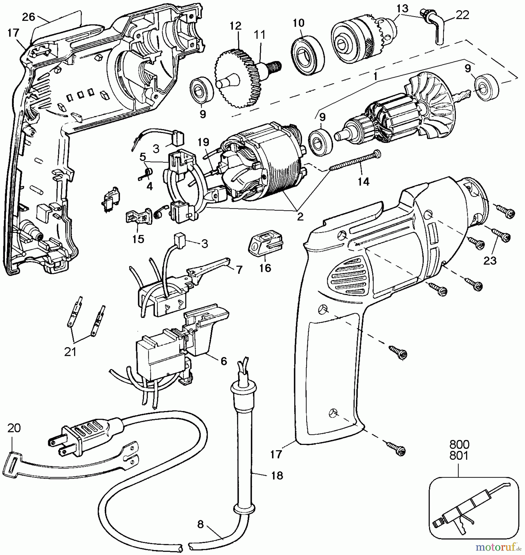
Hier finden Sie die Ersatzteilzeichnung für DEWALT Divers 3/8IN VSR DRILL DW101 Seite 1. Wählen Sie das benötigte Ersatzteil aus der Ersatzteilliste Ihres DEWALT Gerätes aus und bestellen Sie einfach online. Viele DEWALT Ersatzteile halten wir ständig in unserem Lager für Sie bereit.


Qualitätsmanagement
Informieren Sie uns, wenn Sie einen Fehler gefunden haben.

