DEWALT 10MM VSR DRILL NZ/AUST DW100V-45 Ersatzteile
DW100V-45 10MM VSR DRILL NZ/AUST

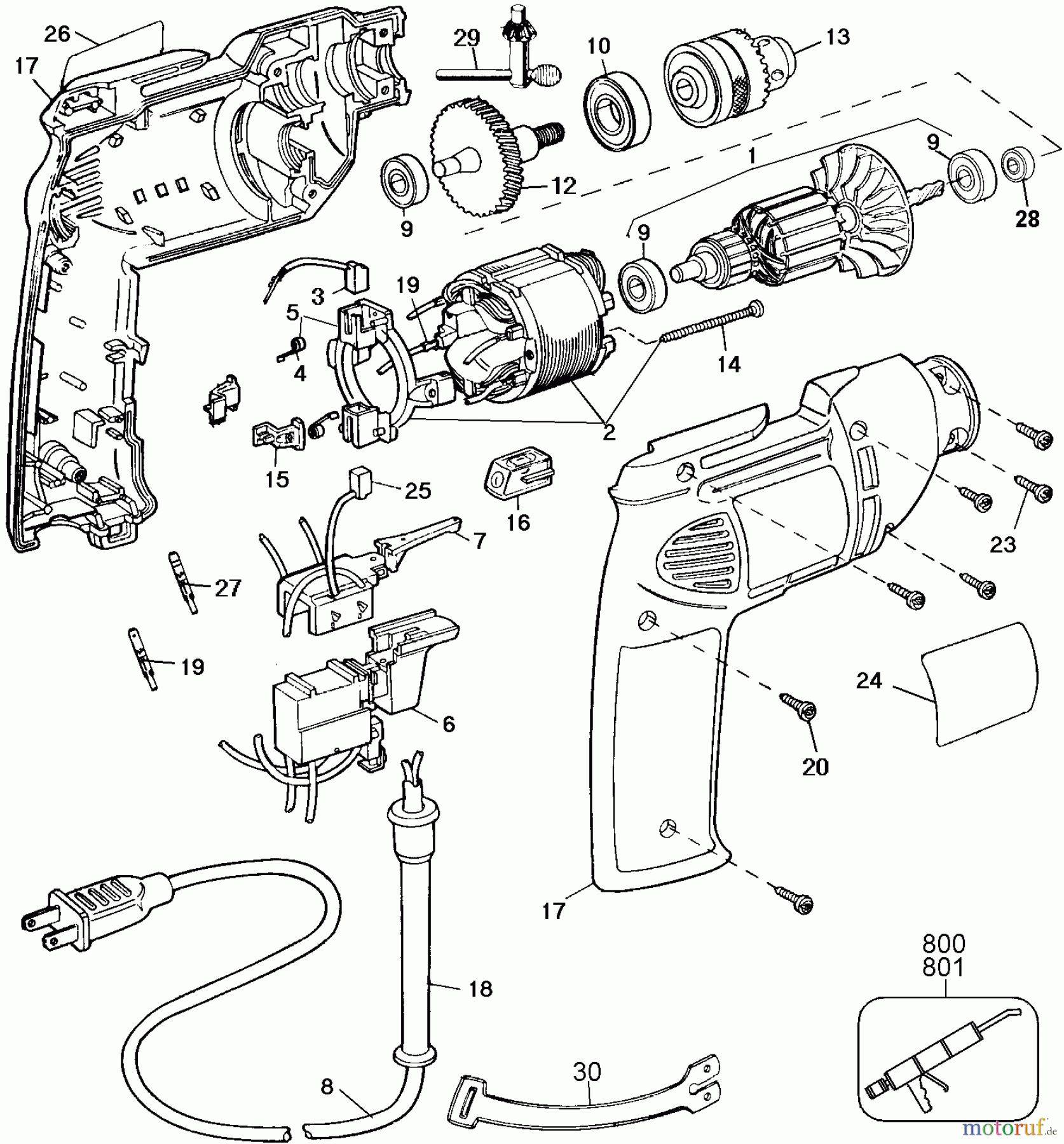
Hier finden Sie die Ersatzteilzeichnung für DEWALT Divers 10MM VSR DRILL NZ/AUST DW100V-45 Seite 1. Wählen Sie das benötigte Ersatzteil aus der Ersatzteilliste Ihres DEWALT Gerätes aus und bestellen Sie einfach online. Viele DEWALT Ersatzteile halten wir ständig in unserem Lager für Sie bereit.


Qualitätsmanagement
Informieren Sie uns, wenn Sie einen Fehler gefunden haben.

