DEWALT 20V RED RTRY LSR KIT DW079LRK Ersatzteile
DW079LRK 20V RED RTRY LSR KIT

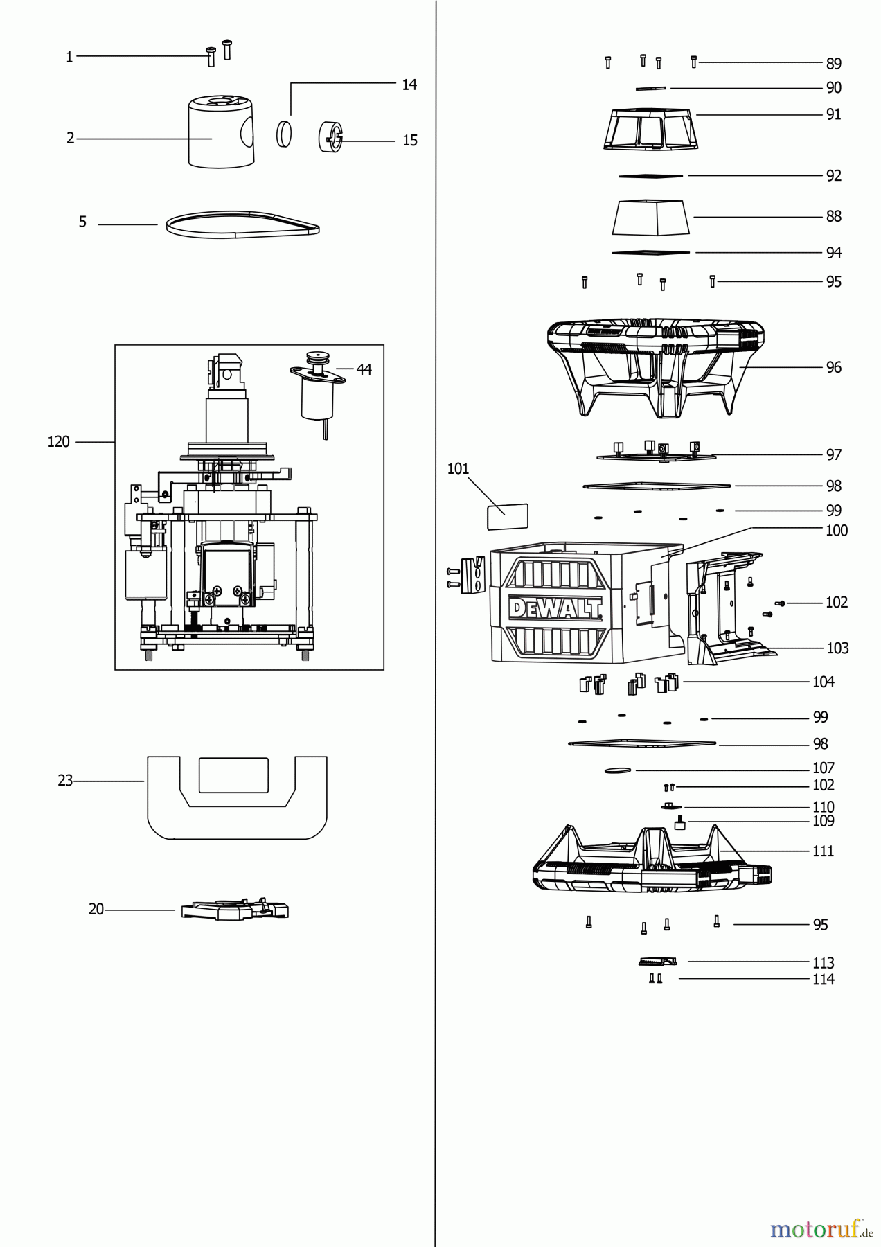
Hier finden Sie die Ersatzteilzeichnung für DEWALT LASERS 20V RED RTRY LSR KIT DW079LRK Seite 4. Wählen Sie das benötigte Ersatzteil aus der Ersatzteilliste Ihres DEWALT Gerätes aus und bestellen Sie einfach online. Viele DEWALT Ersatzteile halten wir ständig in unserem Lager für Sie bereit.



