DEWALT KOMPRESSOR DPC10RC Ersatzteile
DPC10RC KOMPRESSOR

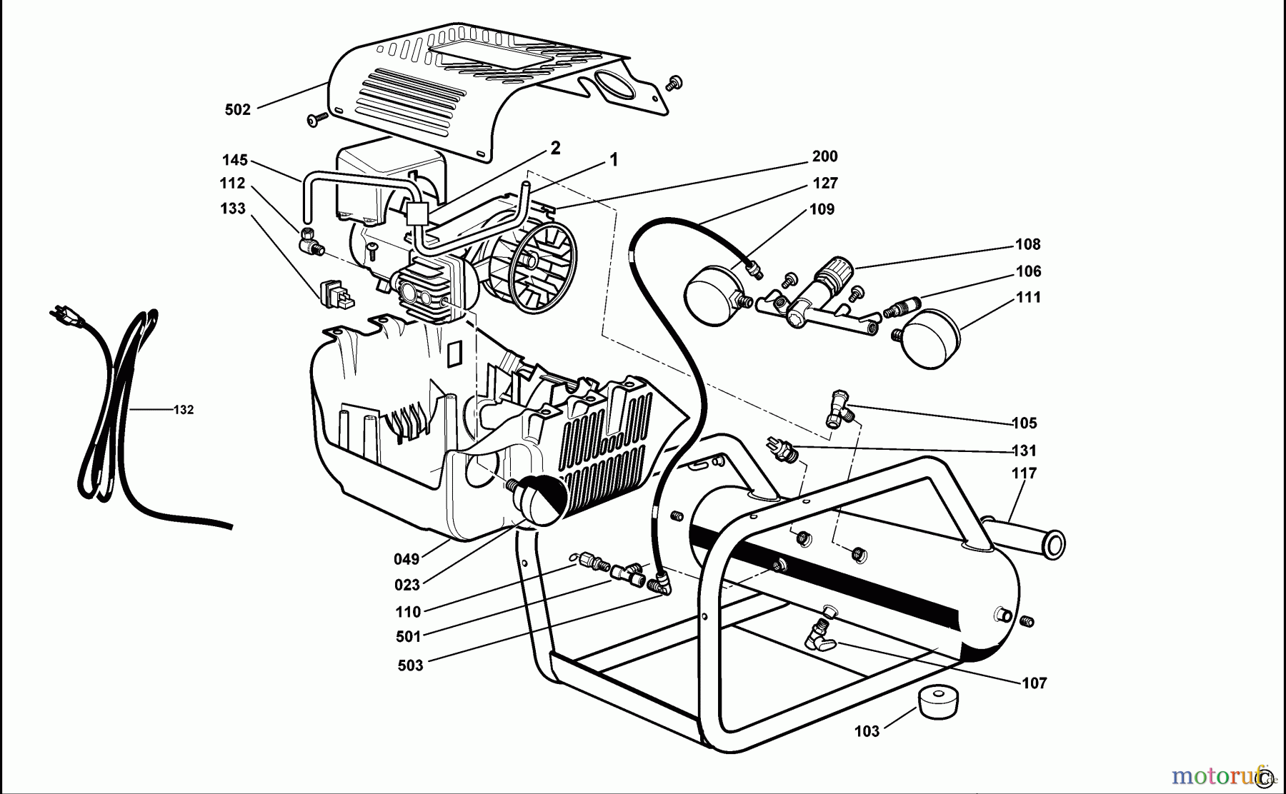
Hier finden Sie die Ersatzteilzeichnung für DEWALT Kompressoren KOMPRESSOR DPC10RC Seite 1. Wählen Sie das benötigte Ersatzteil aus der Ersatzteilliste Ihres DEWALT Gerätes aus und bestellen Sie einfach online. Viele DEWALT Ersatzteile halten wir ständig in unserem Lager für Sie bereit.


Qualitätsmanagement
Informieren Sie uns, wenn Sie einen Fehler gefunden haben.

