DEWALT Gehrungssägen 120V CORD/CRDLSS MIT DHS790AB Ersatzteile
DHS790AB 120V CORD/CRDLSS MIT

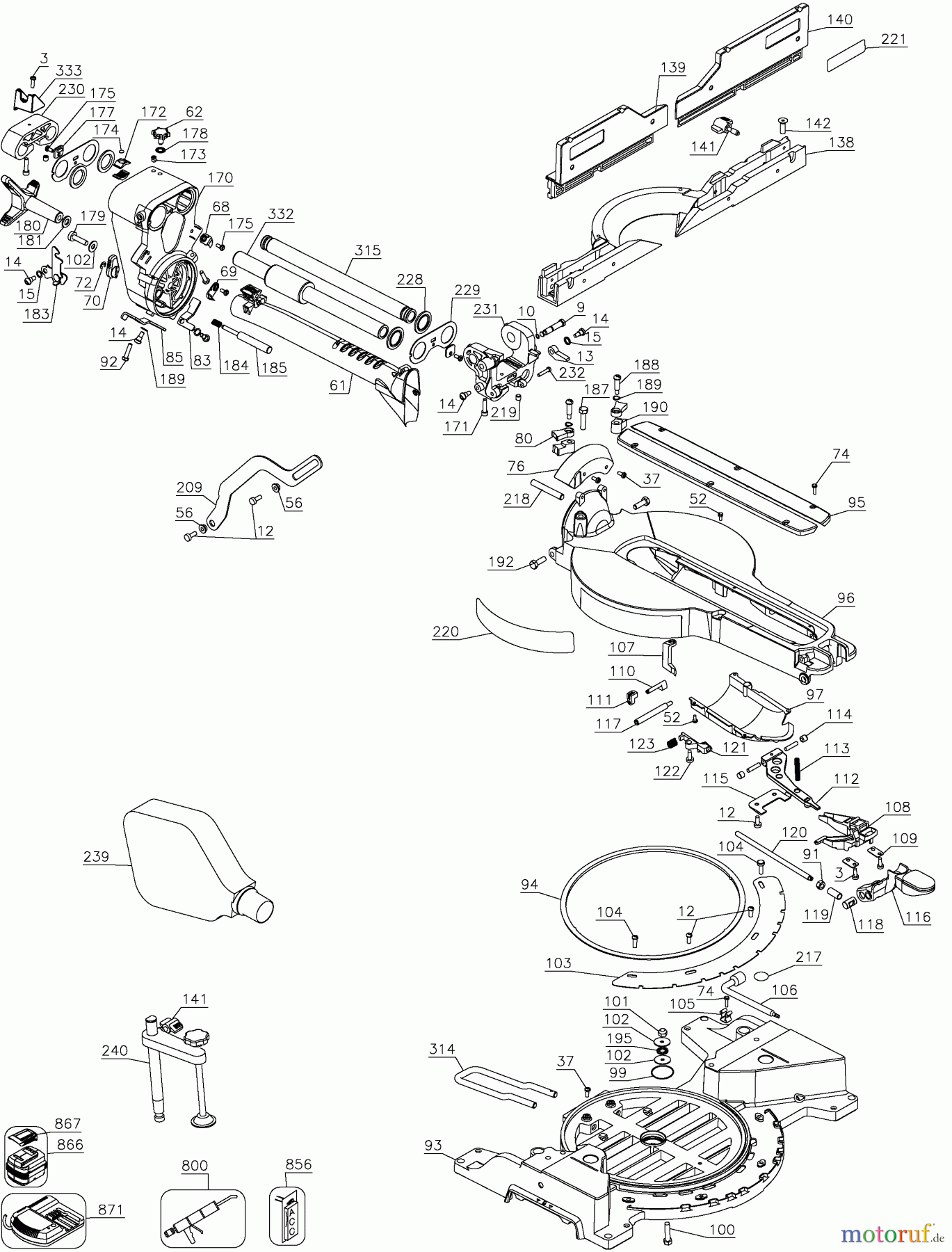
Hier finden Sie die Ersatzteilzeichnung für DEWALT HOLZARBEITEN Gehrungssägen 120V CORD/CRDLSS MIT DHS790AB Seite 2. Wählen Sie das benötigte Ersatzteil aus der Ersatzteilliste Ihres DEWALT Gerätes aus und bestellen Sie einfach online. Viele DEWALT Ersatzteile halten wir ständig in unserem Lager für Sie bereit.


Qualitätsmanagement
Informieren Sie uns, wenn Sie einen Fehler gefunden haben.


