DEWALT Generatoren 7000W GAS GENERATOR DG7000E Ersatzteile
DG7000E 7000W GAS GENERATOR

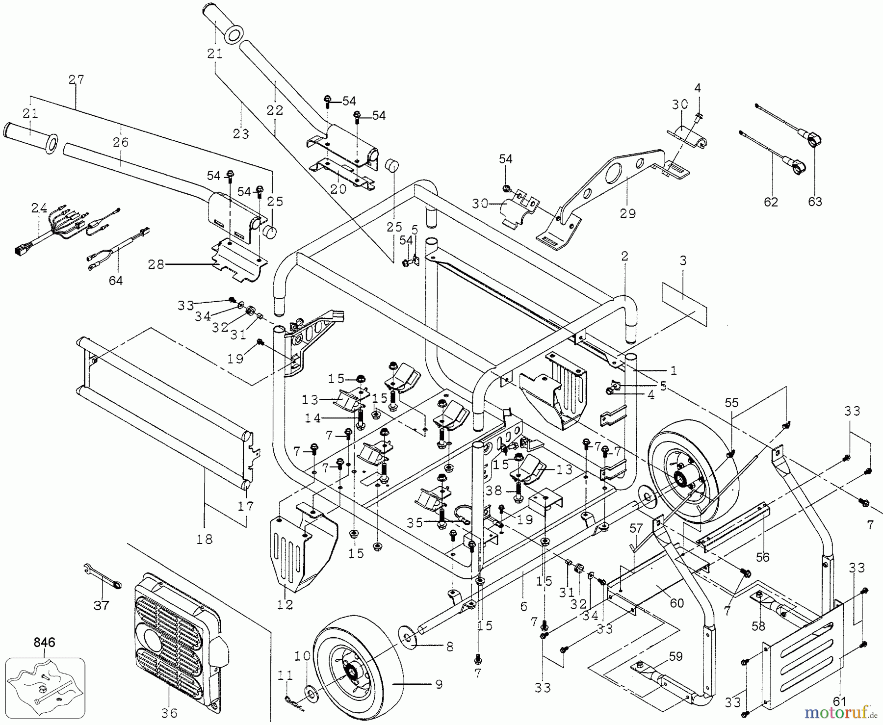
Hier finden Sie die Ersatzteilzeichnung für DEWALT Benzin Produkte Generatoren 7000W GAS GENERATOR DG7000E Seite 5. Wählen Sie das benötigte Ersatzteil aus der Ersatzteilliste Ihres DEWALT Gerätes aus und bestellen Sie einfach online. Viele DEWALT Ersatzteile halten wir ständig in unserem Lager für Sie bereit.


Qualitätsmanagement
Informieren Sie uns, wenn Sie einen Fehler gefunden haben.

