DEWALT HOCHDRUCKREINIGER DEPW002M Ersatzteile
DEPW002M HOCHDRUCKREINIGER

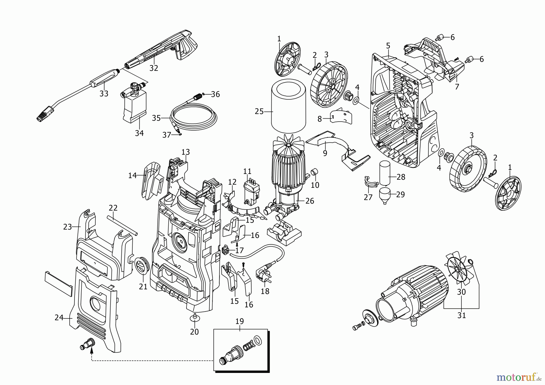
Hier finden Sie die Ersatzteilzeichnung für DEWALT HOCHDRUCKREINIGER HOCHDRUCKREINIGER DEPW002M Seite 1. Wählen Sie das benötigte Ersatzteil aus der Ersatzteilliste Ihres DEWALT Gerätes aus und bestellen Sie einfach online. Viele DEWALT Ersatzteile halten wir ständig in unserem Lager für Sie bereit.



