DEWALT STATIV DE0736 Ersatzteile
DE0736 STATIV

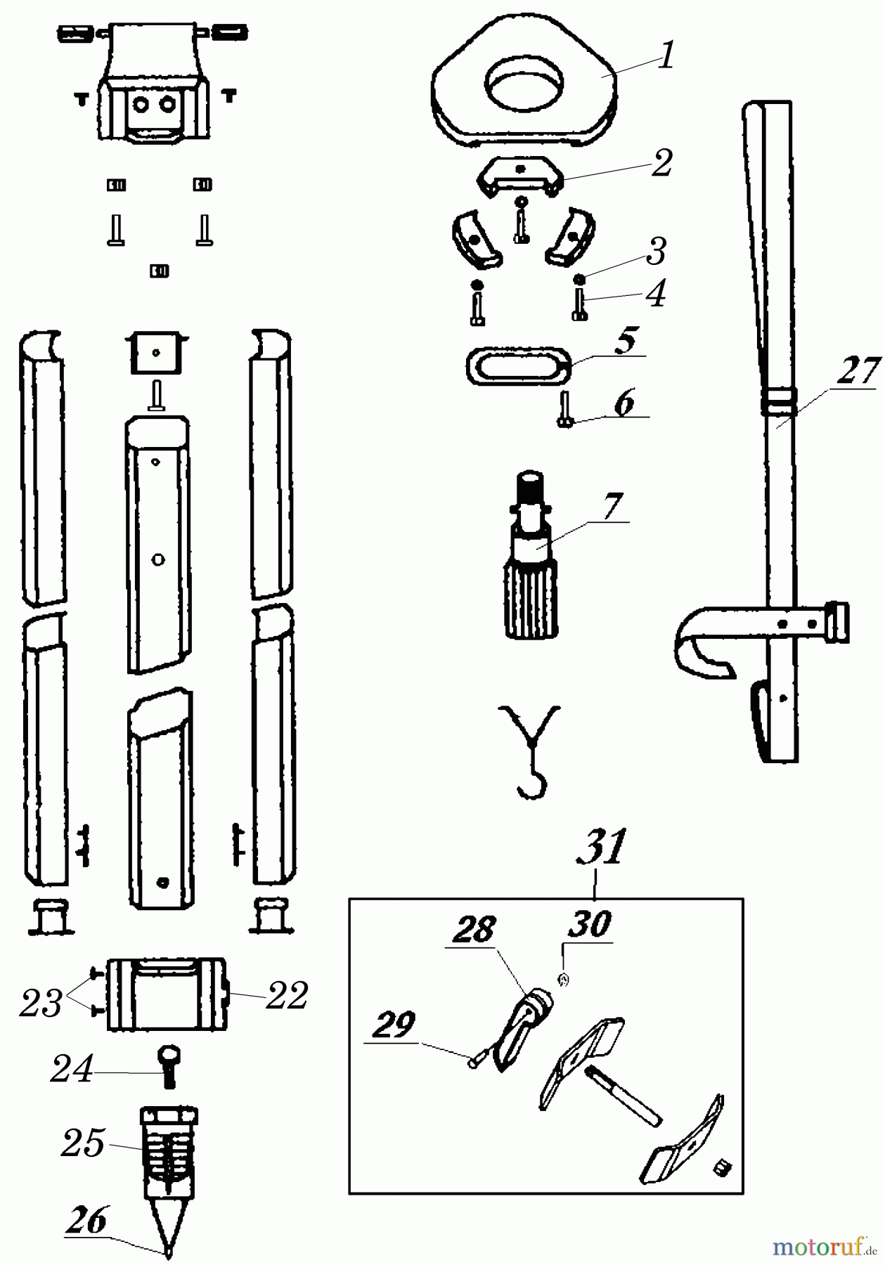
Hier finden Sie die Ersatzteilzeichnung für DEWALT SCHNURLOS-SONSTIGES STATIV DE0736 Seite 1. Wählen Sie das benötigte Ersatzteil aus der Ersatzteilliste Ihres DEWALT Gerätes aus und bestellen Sie einfach online. Viele DEWALT Ersatzteile halten wir ständig in unserem Lager für Sie bereit.


Qualitätsmanagement
Informieren Sie uns, wenn Sie einen Fehler gefunden haben.