DEWALT PULVER AKTIVIERT P3500 SEMI AUTO TOOL DDF212035P Ersatzteile
DDF212035P P3500 SEMI AUTO TOOL

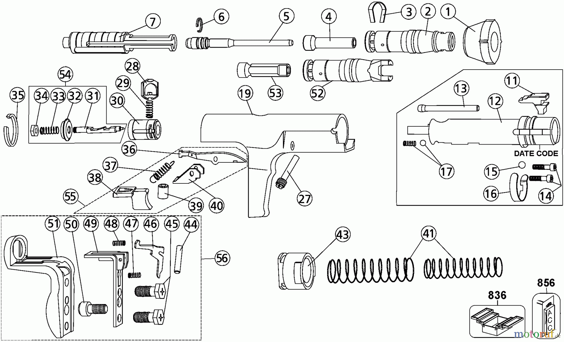
Hier finden Sie die Ersatzteilzeichnung für DEWALT BEFESTIGUNG PULVER AKTIVIERT P3500 SEMI AUTO TOOL DDF212035P Seite 1. Wählen Sie das benötigte Ersatzteil aus der Ersatzteilliste Ihres DEWALT Gerätes aus und bestellen Sie einfach online. Viele DEWALT Ersatzteile halten wir ständig in unserem Lager für Sie bereit.


Qualitätsmanagement
Informieren Sie uns, wenn Sie einen Fehler gefunden haben.

