DEWALT 18V BAND SAW DCS370KL Ersatzteile
DCS370KL 18V BAND SAW

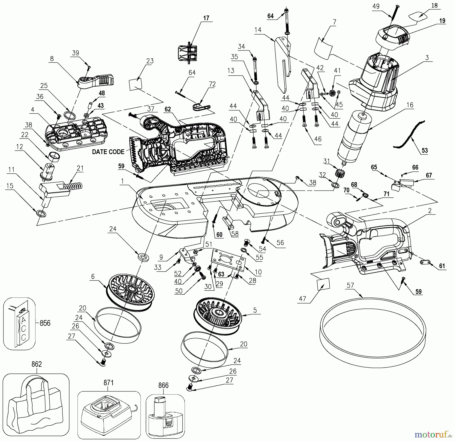
Hier finden Sie die Ersatzteilzeichnung für DEWALT Divers 18V BAND SAW DCS370KL Seite 1. Wählen Sie das benötigte Ersatzteil aus der Ersatzteilliste Ihres DEWALT Gerätes aus und bestellen Sie einfach online. Viele DEWALT Ersatzteile halten wir ständig in unserem Lager für Sie bereit.


Qualitätsmanagement
Informieren Sie uns, wenn Sie einen Fehler gefunden haben.

