DEWALT RASENMAHER DCMW564 Ersatzteile
DCMW564 RASENMAHER

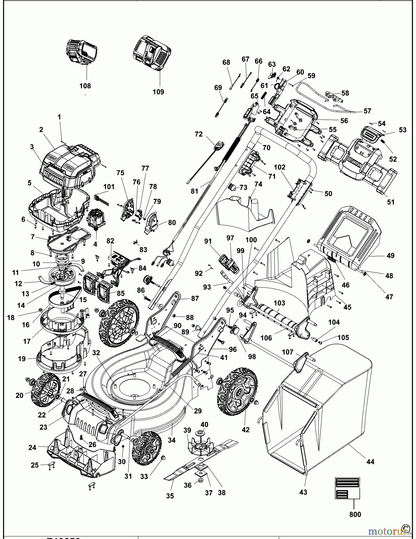
Hier finden Sie die Ersatzteilzeichnung für DEWALT Gartengeräte RASENMAHER DCMW564 Seite 1. Wählen Sie das benötigte Ersatzteil aus der Ersatzteilliste Ihres DEWALT Gerätes aus und bestellen Sie einfach online. Viele DEWALT Ersatzteile halten wir ständig in unserem Lager für Sie bereit.