DEWALT LASER DCLE34031B-QU Ersatzteile
DCLE34031B-QU LASER

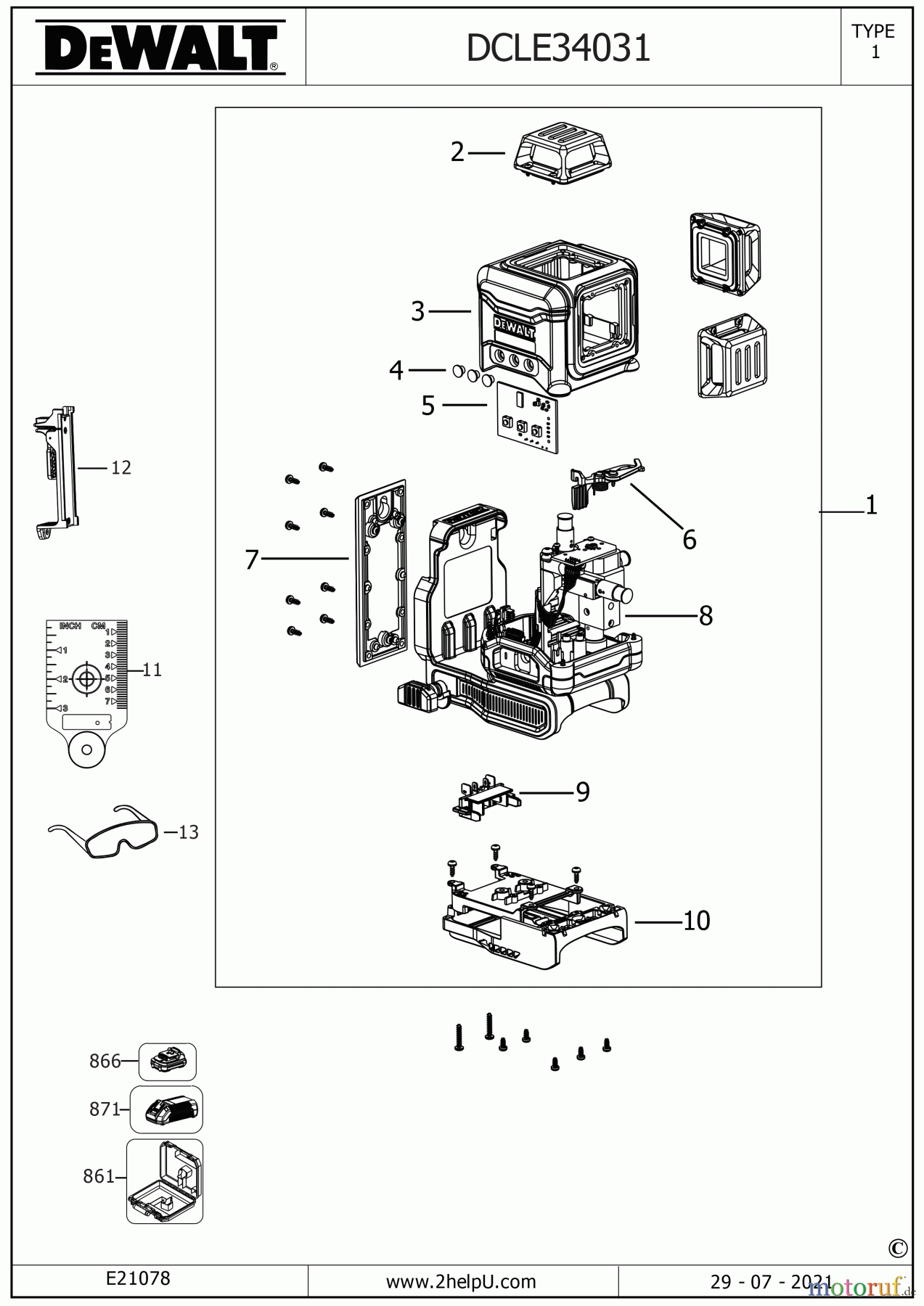
Hier finden Sie die Ersatzteilzeichnung für DEWALT LASERS LASER DCLE34031B-QU Seite 1. Wählen Sie das benötigte Ersatzteil aus der Ersatzteilliste Ihres DEWALT Gerätes aus und bestellen Sie einfach online. Viele DEWALT Ersatzteile halten wir ständig in unserem Lager für Sie bereit.



