DEWALT Bohrhämmer SDS-PLUS 1-1/8 20V RTY HAMR DCH263R2 Ersatzteile
DCH263R2 1-1/8 20V RTY HAMR

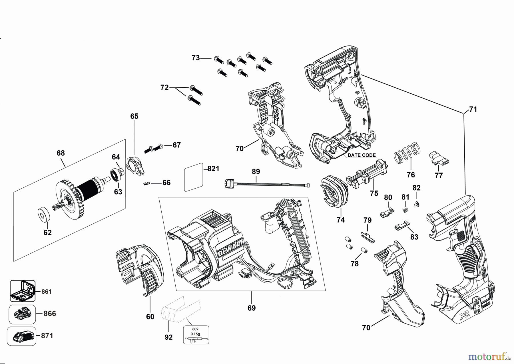
Hier finden Sie die Ersatzteilzeichnung für DEWALT Bohrhämmer Bohrhämmer SDS-PLUS 1-1/8 20V RTY HAMR DCH263R2 Seite 2. Wählen Sie das benötigte Ersatzteil aus der Ersatzteilliste Ihres DEWALT Gerätes aus und bestellen Sie einfach online. Viele DEWALT Ersatzteile halten wir ständig in unserem Lager für Sie bereit.



