DEWALT CDLS DRILLS 18V AKKU BOHRHAMMER DCH172M2 Ersatzteile
DCH172M2 AKKU BOHRHAMMER

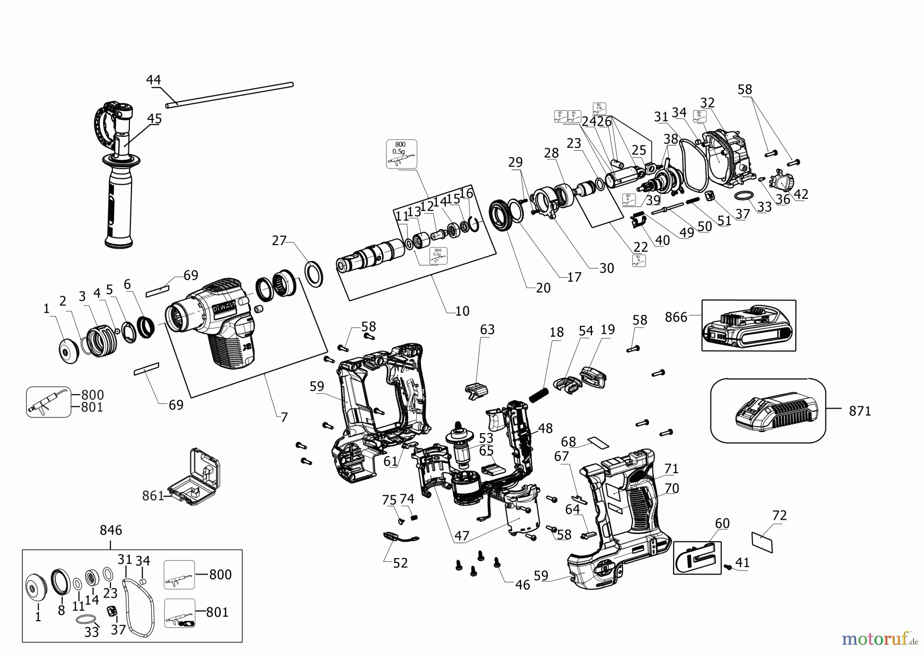
Hier finden Sie die Ersatzteilzeichnung für DEWALT AKKUBOHRER CDLS DRILLS 18V AKKU BOHRHAMMER DCH172M2 Seite 1. Wählen Sie das benötigte Ersatzteil aus der Ersatzteilliste Ihres DEWALT Gerätes aus und bestellen Sie einfach online. Viele DEWALT Ersatzteile halten wir ständig in unserem Lager für Sie bereit.



