DEWALT AKKU FETTPRESSE DCGG581P1G Ersatzteile
DCGG581P1G AKKU FETTPRESSE

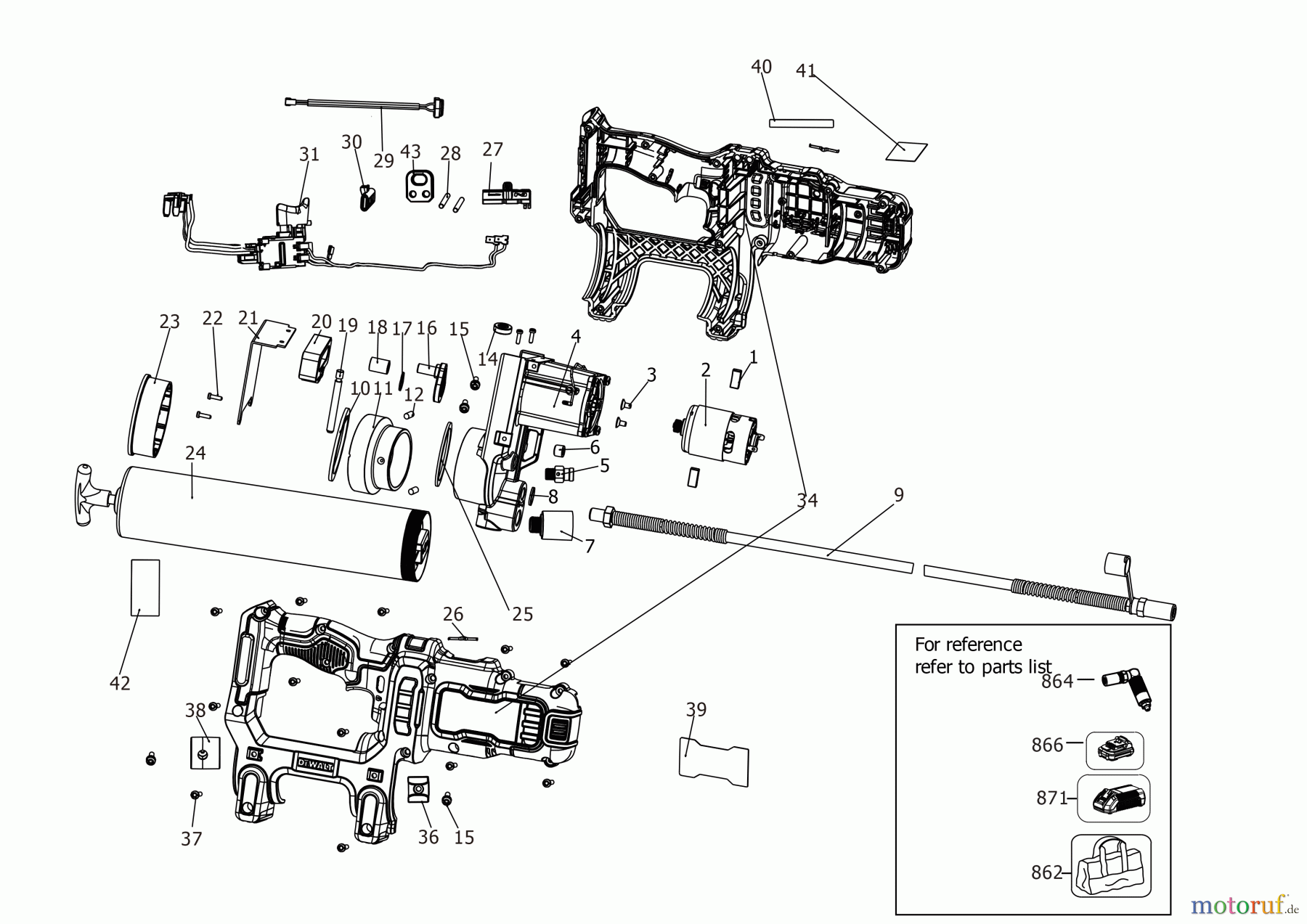
Hier finden Sie die Ersatzteilzeichnung für DEWALT SCHNURLOS-SONSTIGES AKKU FETTPRESSE DCGG581P1G Seite 1. Wählen Sie das benötigte Ersatzteil aus der Ersatzteilliste Ihres DEWALT Gerätes aus und bestellen Sie einfach online. Viele DEWALT Ersatzteile halten wir ständig in unserem Lager für Sie bereit.


Qualitätsmanagement
Informieren Sie uns, wenn Sie einen Fehler gefunden haben.

