DEWALT CDLS DRILLS 18V SCHLAGSCHRAUBER DCF860USNA Ersatzteile
DCF860USNA SCHLAGSCHRAUBER

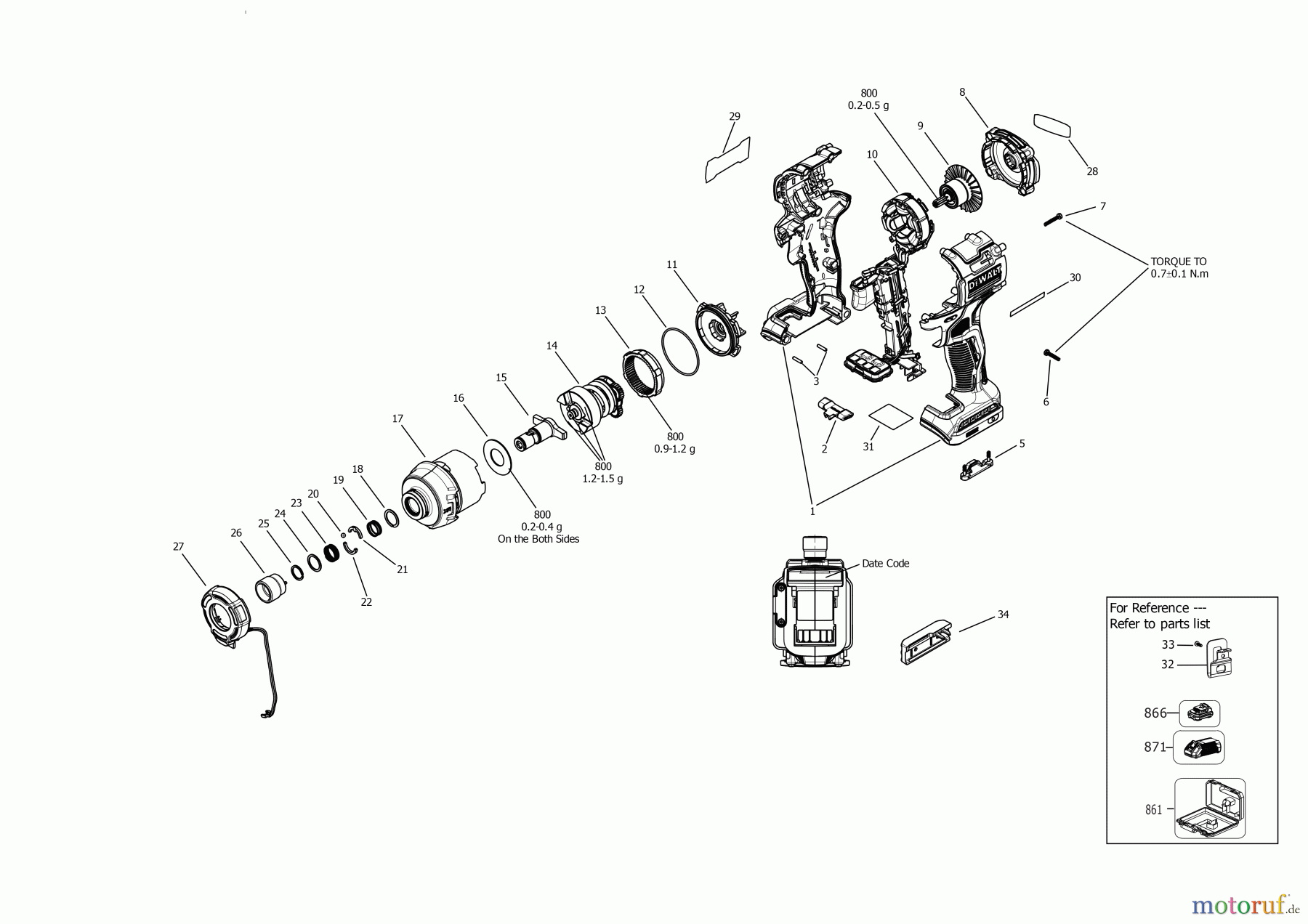
Hier finden Sie die Ersatzteilzeichnung für DEWALT AKKUBOHRER CDLS DRILLS 18V SCHLAGSCHRAUBER DCF860USNA Seite 1. Wählen Sie das benötigte Ersatzteil aus der Ersatzteilliste Ihres DEWALT Gerätes aus und bestellen Sie einfach online. Viele DEWALT Ersatzteile halten wir ständig in unserem Lager für Sie bereit.


Qualitätsmanagement
Informieren Sie uns, wenn Sie einen Fehler gefunden haben.

