DEWALT RASENKANTENSCHERE DCED472B Ersatzteile
DCED472B RASENKANTENSCHERE

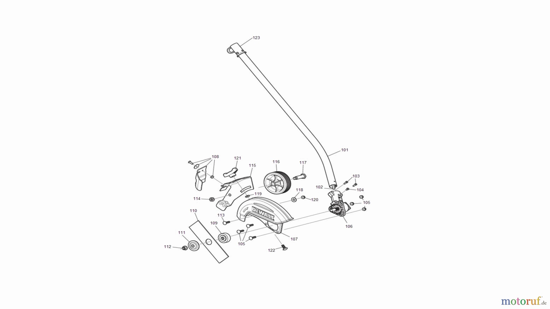
Hier finden Sie die Ersatzteilzeichnung für DEWALT Gartengeräte RASENKANTENSCHERE DCED472B Seite 2. Wählen Sie das benötigte Ersatzteil aus der Ersatzteilliste Ihres DEWALT Gerätes aus und bestellen Sie einfach online. Viele DEWALT Ersatzteile halten wir ständig in unserem Lager für Sie bereit.
| BildNr | Artikel Nummer | Bezeichnung | |
| 101 | SB-841-090516S | GEHAEUSEGRIFF | |
| 102 | 753-05267 | ANTRIEBSWELLE | |
| 103 | 791-182195 | SCHRAUBE | |
| 104 | 791-182519 | SCHRAUBE | |
| 105 | ![]() | 712-04105 | MUTTER |
| 106 | 753-04258 | GETR.GEH. | |
| 107 | SB-N840764 | SCHUTZ | |
| 108 | SB-753-11109 | DEFLEKTOR | |
| 109 | 792-10785 | DISTANZSCHEIBE | |
| 110 | 791-613223B | MESSER | |
| 111 | ![]() | 791-147490 | UNTERLEGSCHEIBE |
| 112 | ![]() | 712-04105 | MUTTER |
| 113 | SB-710-04063 | BOLZEN | |
| 115 | 753-08021 | SCHUTZ | |
| 116 | SB-6356 | RAD | |
| 117 | 791-180776 | BOLZEN | |
| 118 | SB-3010-DW | UNTERLEGSCHEIBE | |
| 119 | 736-04107 | UNTERLEGSCHEIBE | |
| 120 | ![]() | 2952 | MUTTER |
| 121 | ![]() | 720-04122 | KNOPF |
| 122 | ![]() | 710-0451 | BOLZEN |
| 123 | 731-08926 | MAEHWERKSTRAEGER VORN | |








