DEWALT CDLS DRILLS 54V RIGHT ANGLE DRILL DCD470 Ersatzteile
DCD470 RIGHT ANGLE DRILL

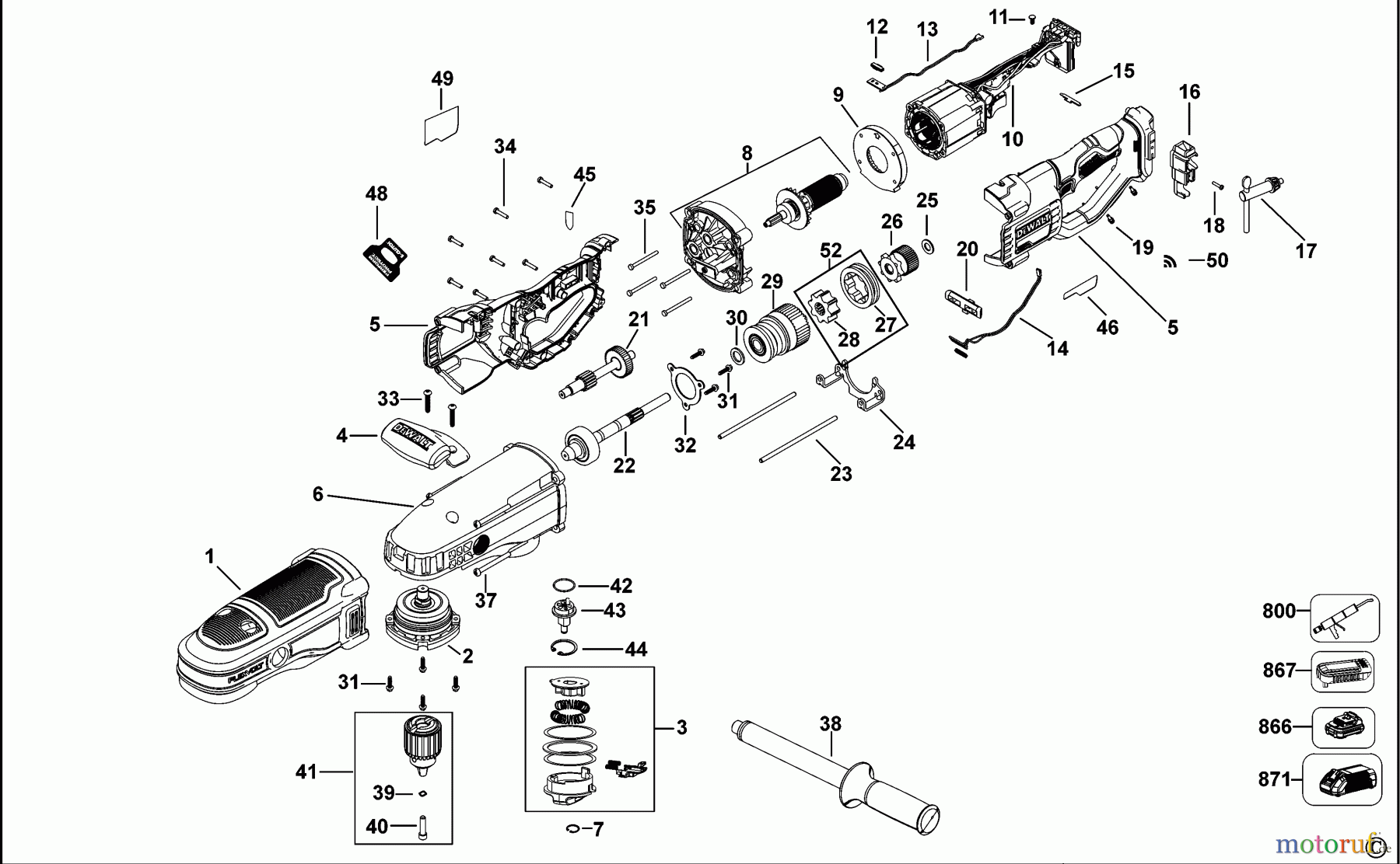
Hier finden Sie die Ersatzteilzeichnung für DEWALT AKKUBOHRER CDLS DRILLS 54V RIGHT ANGLE DRILL DCD470 Seite 1. Wählen Sie das benötigte Ersatzteil aus der Ersatzteilliste Ihres DEWALT Gerätes aus und bestellen Sie einfach online. Viele DEWALT Ersatzteile halten wir ständig in unserem Lager für Sie bereit.


Qualitätsmanagement
Informieren Sie uns, wenn Sie einen Fehler gefunden haben.

