DEWALT KOMPRESSOR DCC1054 Ersatzteile
DCC1054 KOMPRESSOR

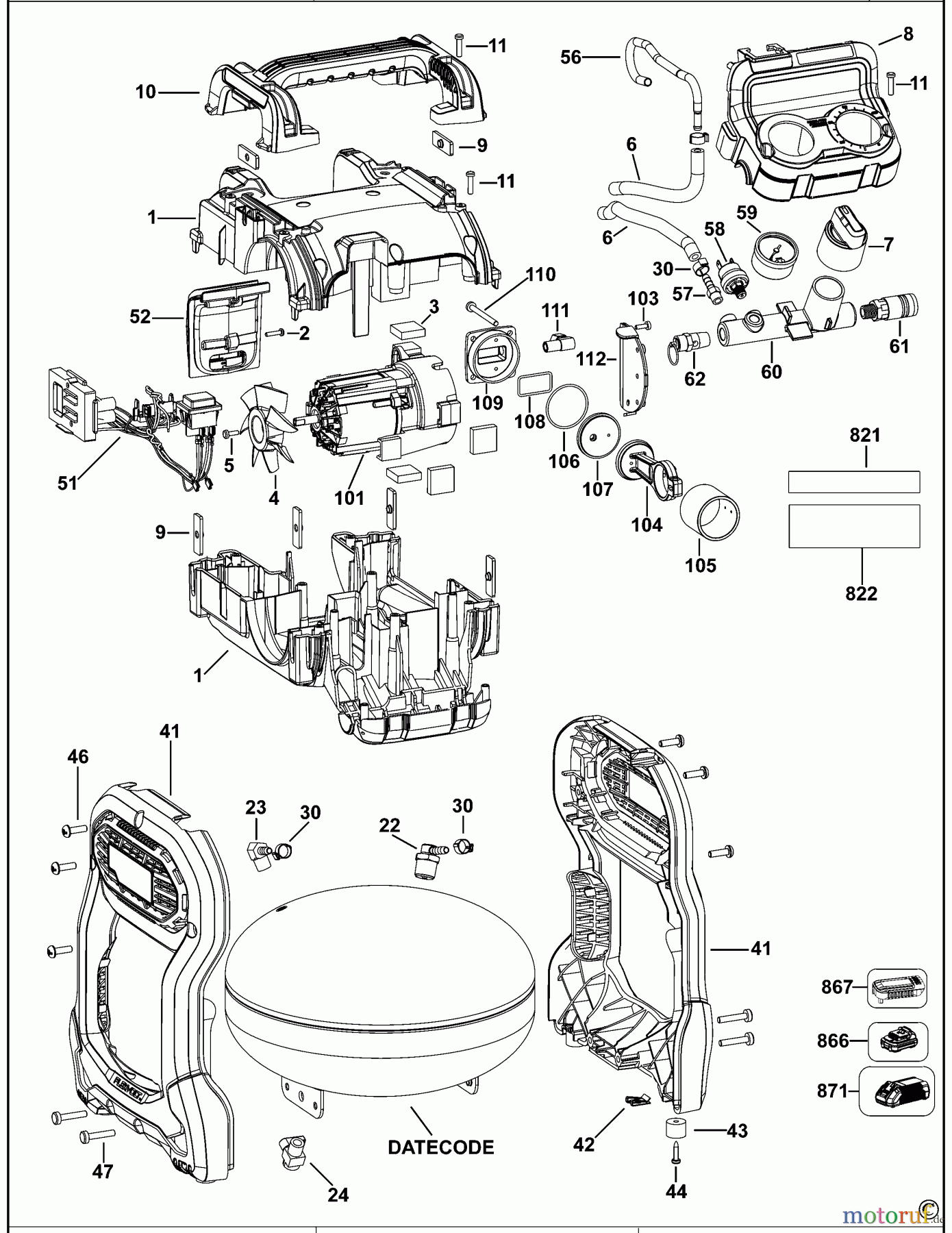
Hier finden Sie die Ersatzteilzeichnung für DEWALT Kompressoren KOMPRESSOR DCC1054 Seite 1. Wählen Sie das benötigte Ersatzteil aus der Ersatzteilliste Ihres DEWALT Gerätes aus und bestellen Sie einfach online. Viele DEWALT Ersatzteile halten wir ständig in unserem Lager für Sie bereit.



