DEWALT KREISSÄGEN AKKU TAUCHKREISSÄGE DC352K Ersatzteile
DC352K AKKU TAUCHKREISSÄGE

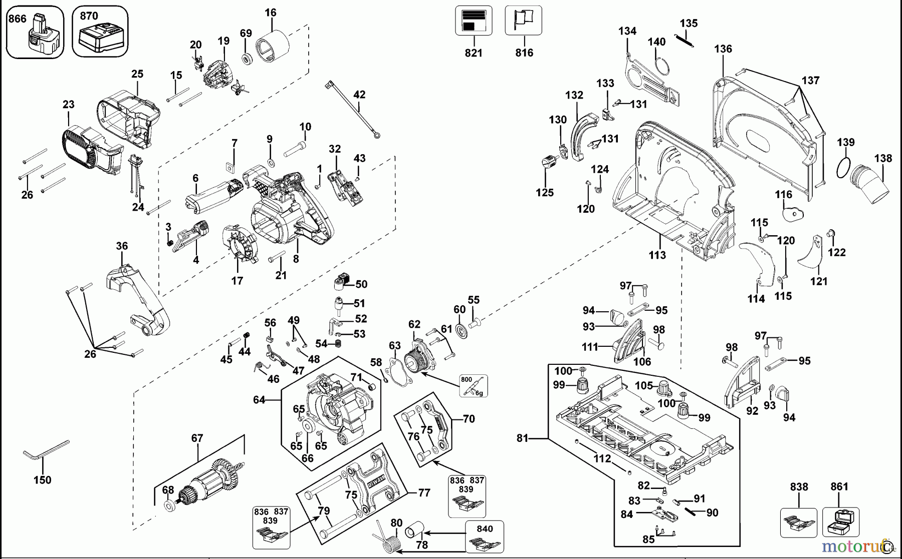
Hier finden Sie die Ersatzteilzeichnung für DEWALT HOLZARBEITEN KREISSÄGEN AKKU TAUCHKREISSÄGE DC352K Seite 1. Wählen Sie das benötigte Ersatzteil aus der Ersatzteilliste Ihres DEWALT Gerätes aus und bestellen Sie einfach online. Viele DEWALT Ersatzteile halten wir ständig in unserem Lager für Sie bereit.


Qualitätsmanagement
Informieren Sie uns, wenn Sie einen Fehler gefunden haben.

