ELU LATHES & MORTICERS DREHBANK DB180-----A Ersatzteile
DB180-----A DREHBANK

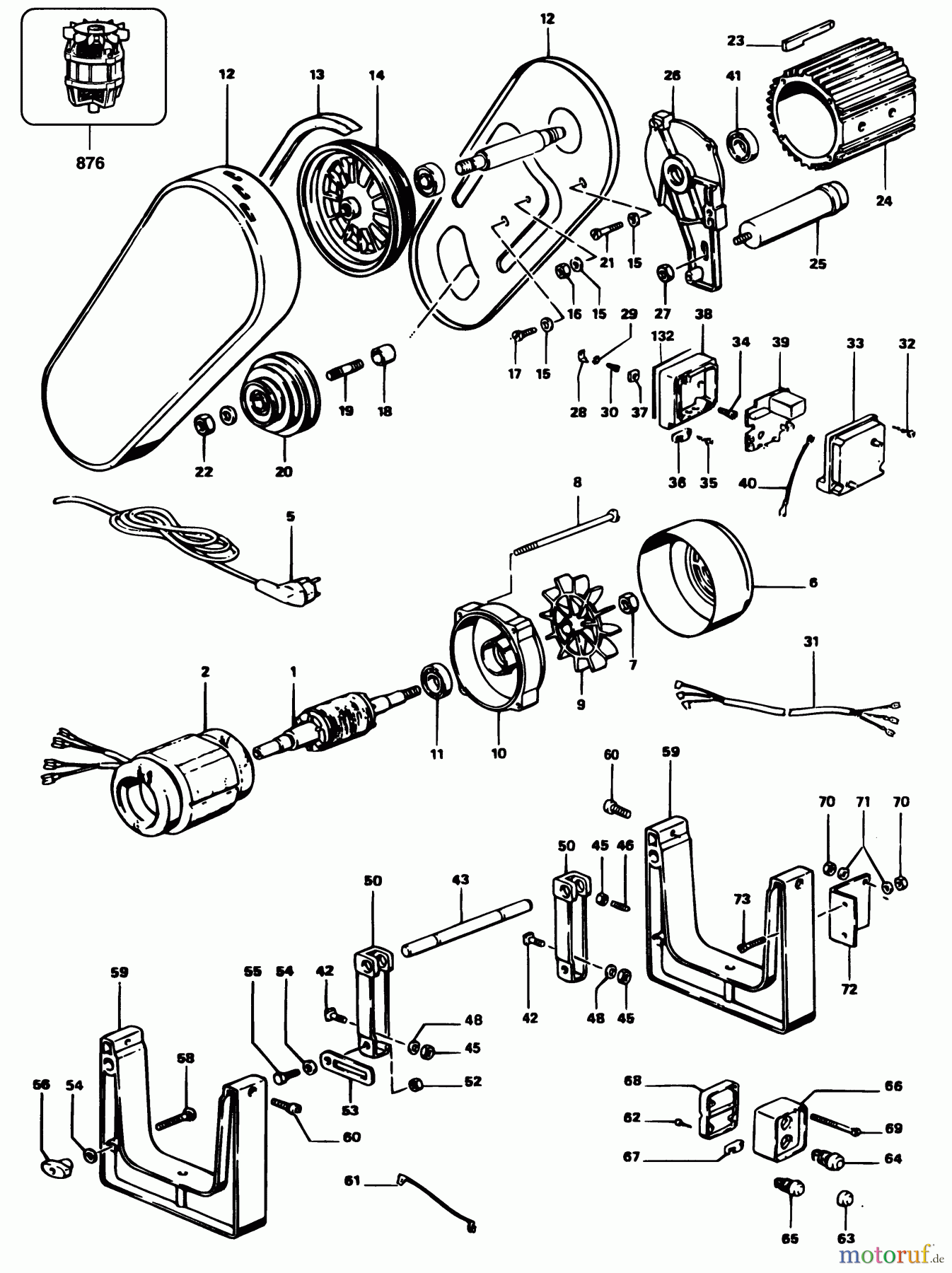
Hier finden Sie die Ersatzteilzeichnung für ELU WOODWORKING LATHES & MORTICERS DREHBANK DB180-----A Seite 1. Wählen Sie das benötigte Ersatzteil aus der Ersatzteilliste Ihres ELU Gerätes aus und bestellen Sie einfach online. Viele ELU Ersatzteile halten wir ständig in unserem Lager für Sie bereit.


Qualitätsmanagement
Informieren Sie uns, wenn Sie einen Fehler gefunden haben.

