DEWALT 9HP 17G COMPRESSOR D55695 Ersatzteile
D55695 9HP 17G COMPRESSOR

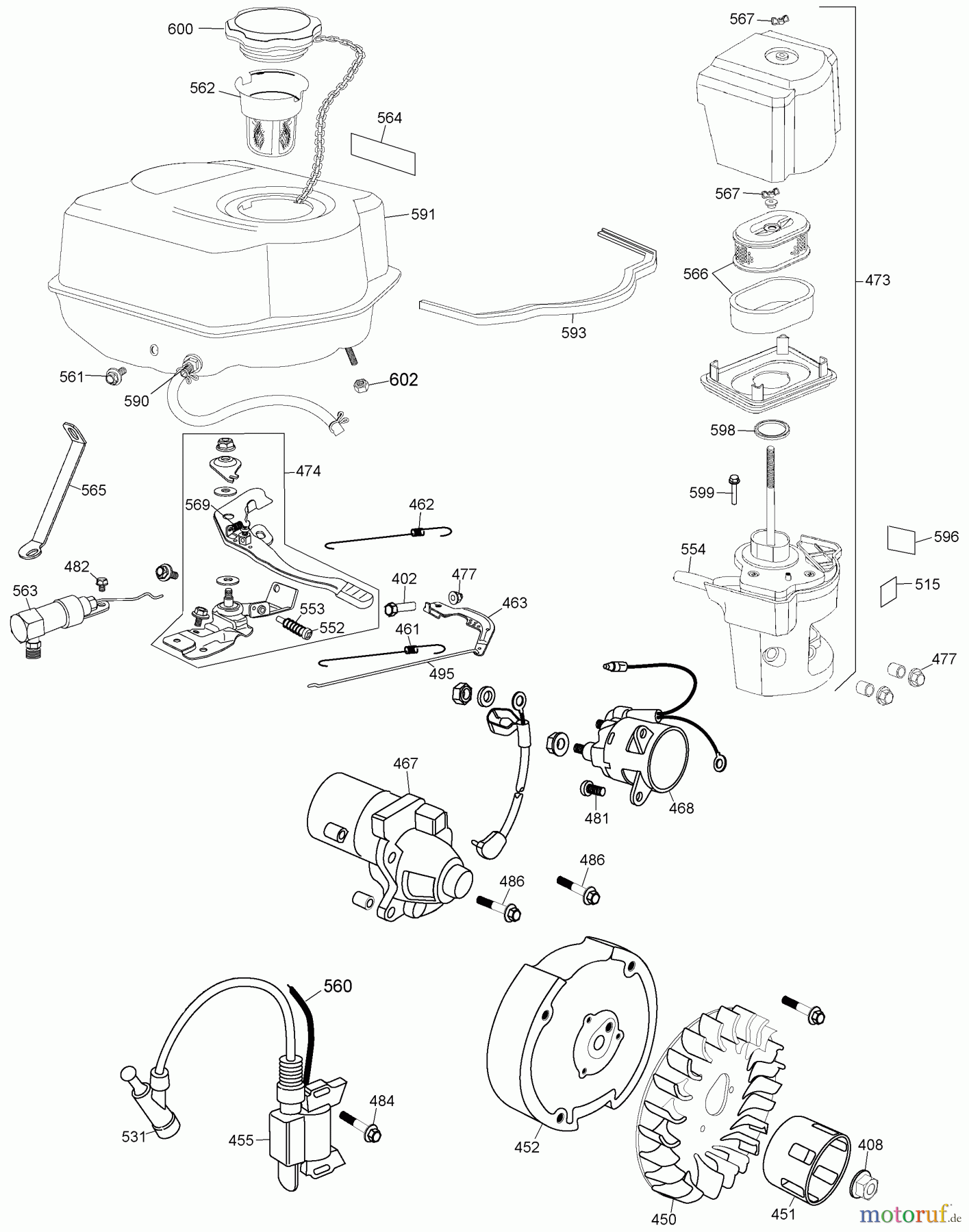
Hier finden Sie die Ersatzteilzeichnung für DEWALT SCHNURLOS-SONSTIGES 9HP 17G COMPRESSOR D55695 Seite 5. Wählen Sie das benötigte Ersatzteil aus der Ersatzteilliste Ihres DEWALT Gerätes aus und bestellen Sie einfach online. Viele DEWALT Ersatzteile halten wir ständig in unserem Lager für Sie bereit.


Qualitätsmanagement
Informieren Sie uns, wenn Sie einen Fehler gefunden haben.

