DEWALT KOMPRESSOR D55250 Ersatzteile
D55250 KOMPRESSOR

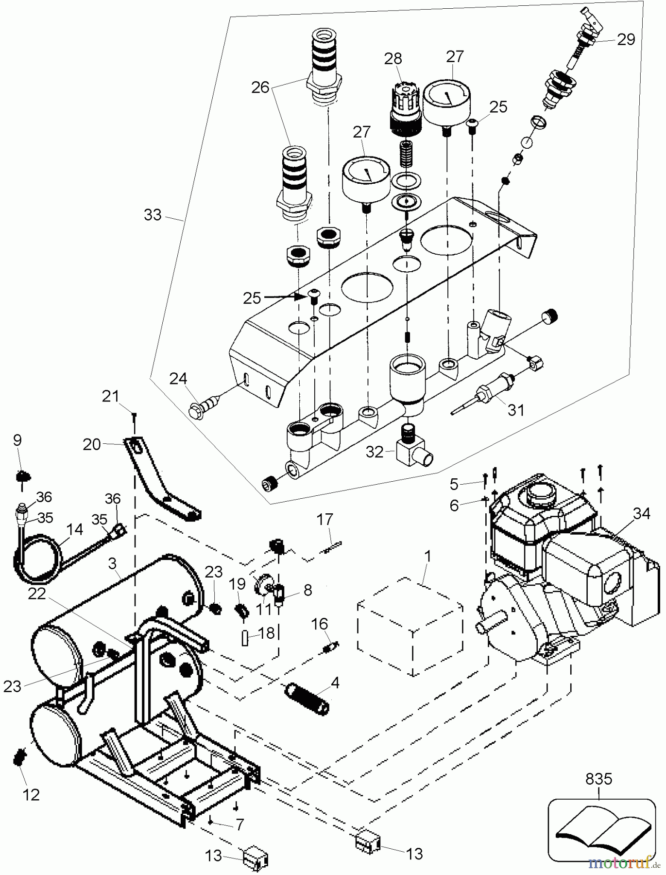
Hier finden Sie die Ersatzteilzeichnung für DEWALT Kompressoren KOMPRESSOR D55250 Seite 2. Wählen Sie das benötigte Ersatzteil aus der Ersatzteilliste Ihres DEWALT Gerätes aus und bestellen Sie einfach online. Viele DEWALT Ersatzteile halten wir ständig in unserem Lager für Sie bereit.


Qualitätsmanagement
Informieren Sie uns, wenn Sie einen Fehler gefunden haben.

