DEWALT SÄGEN BAND SAW D28770 Ersatzteile
D28770 BAND SAW

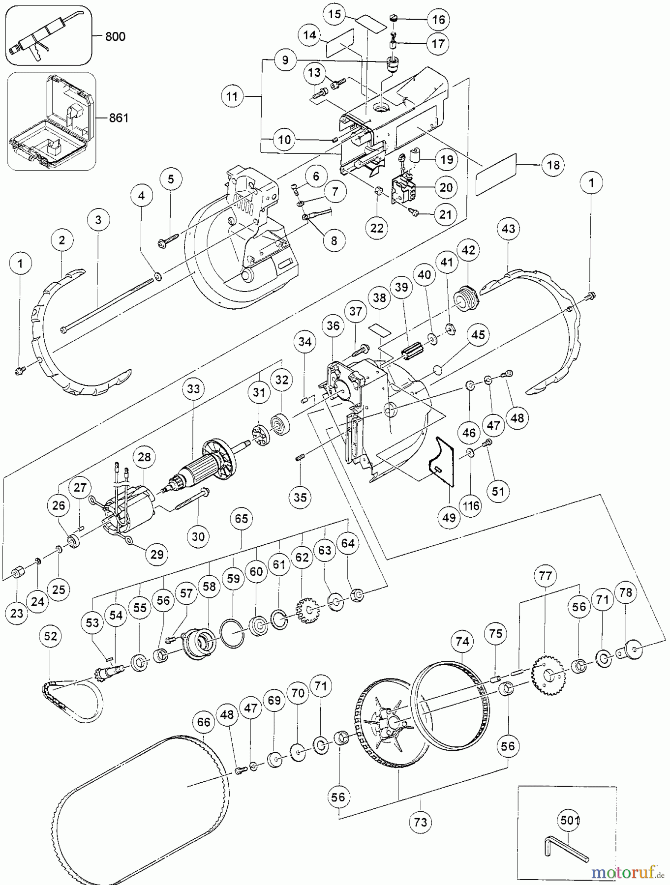
Hier finden Sie die Ersatzteilzeichnung für DEWALT METALLBEARBEITUNG SÄGEN BAND SAW D28770 Seite 1. Wählen Sie das benötigte Ersatzteil aus der Ersatzteilliste Ihres DEWALT Gerätes aus und bestellen Sie einfach online. Viele DEWALT Ersatzteile halten wir ständig in unserem Lager für Sie bereit.


Qualitätsmanagement
 Informieren Sie uns, wenn Sie einen Fehler gefunden haben.

