DEWALT WINKELSCHLEIFER 100-125MM KLEINER WINKELSCHLEIFER D28134 Ersatzteile
D28134 KLEINER WINKELSCHLEIFER

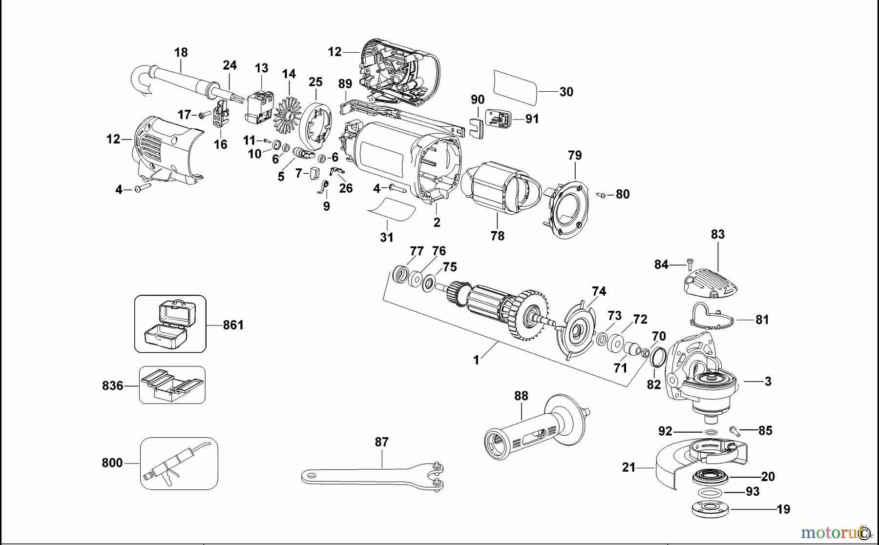
Hier finden Sie die Ersatzteilzeichnung für DEWALT METALLBEARBEITUNG WINKELSCHLEIFER 100-125MM KLEINER WINKELSCHLEIFER D28134 Seite 1. Wählen Sie das benötigte Ersatzteil aus der Ersatzteilliste Ihres DEWALT Gerätes aus und bestellen Sie einfach online. Viele DEWALT Ersatzteile halten wir ständig in unserem Lager für Sie bereit.


Qualitätsmanagement
Informieren Sie uns, wenn Sie einen Fehler gefunden haben.

