DEWALT Meisselhämmer MEISSELHAMMER D25872 Ersatzteile
D25872 MEISSELHAMMER

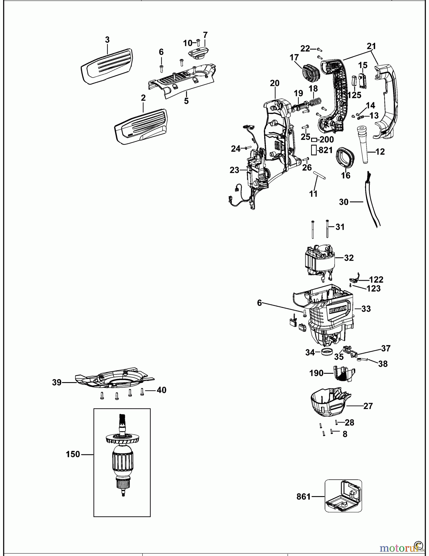
Hier finden Sie die Ersatzteilzeichnung für DEWALT Bohrhämmer Meisselhämmer MEISSELHAMMER D25872 Seite 1. Wählen Sie das benötigte Ersatzteil aus der Ersatzteilliste Ihres DEWALT Gerätes aus und bestellen Sie einfach online. Viele DEWALT Ersatzteile halten wir ständig in unserem Lager für Sie bereit.



