DEWALT Bohrhämmer SDS-PLUS DREHHAMMER D25201K Ersatzteile
D25201K DREHHAMMER

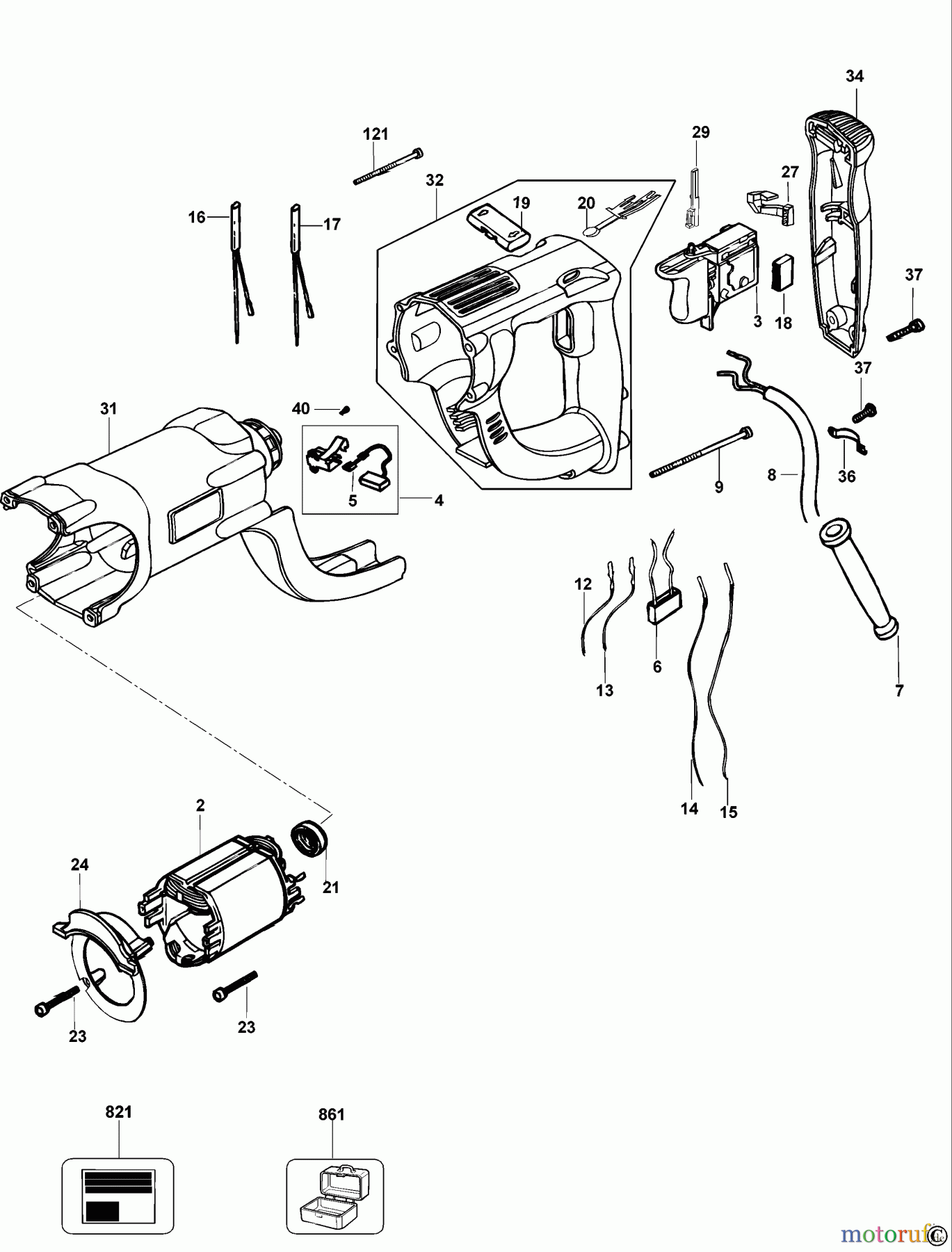
Hier finden Sie die Ersatzteilzeichnung für DEWALT Bohrhämmer Bohrhämmer SDS-PLUS DREHHAMMER D25201K Seite 1. Wählen Sie das benötigte Ersatzteil aus der Ersatzteilliste Ihres DEWALT Gerätes aus und bestellen Sie einfach online. Viele DEWALT Ersatzteile halten wir ständig in unserem Lager für Sie bereit.
| BildNr | Artikel Nummer | Bezeichnung | |
| 7 | SB-NA073534 | KABELTUELLE | |
| 9 | SB-330065-26 | SCHRAUBE | |
| 18 | SB-930026-01 | BUMPER | |
| 19 | SB-578218-00 | SCHIEBER | |
| 20 | SB-578220-00 | HEBEL | |
| 21 | SB-870052 | HUELSE | |
| 23 | SB-326519-03 | SCHRAUBE | |
| 24 | SB-582144-00 | ABDECKUNG | |
| 31 | SB-578277-00 | FELDGEHAEUSE | |
| 32 | SB-586503-00 | GRIFF ZSB | |
| 34 | SB-578278-00 | ABDECKUNG | |
| 36 | SB-916307 | KABELKLEMME | |
| 37 | SB-330065-08 | SCHRAUBE | |
| 40 | SB-330065-25 | SCHRAUBE | |
| 121 | SB-330065-28 | SCHRAUBE | |


Qualitätsmanagement
Informieren Sie uns, wenn Sie einen Fehler gefunden haben.

