BOSTITCH CARTON STAPLER D19 Ersatzteile
D19 CARTON STAPLER

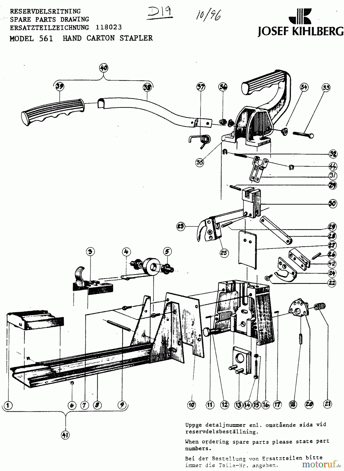
Hier finden Sie die Ersatzteilzeichnung für BOSTITCH CARTON SEALER CARTON STAPLER D19 Seite 1. Wählen Sie das benötigte Ersatzteil aus der Ersatzteilliste Ihres BOSTITCH Gerätes aus und bestellen Sie einfach online. Viele BOSTITCH Ersatzteile halten wir ständig in unserem Lager für Sie bereit.



