PORTER CABLE A 6.0HP 25G VP PL 1STG 12 CPF6025VP Ersatzteile
CPF6025VP A 6.0HP 25G VP PL 1STG 12

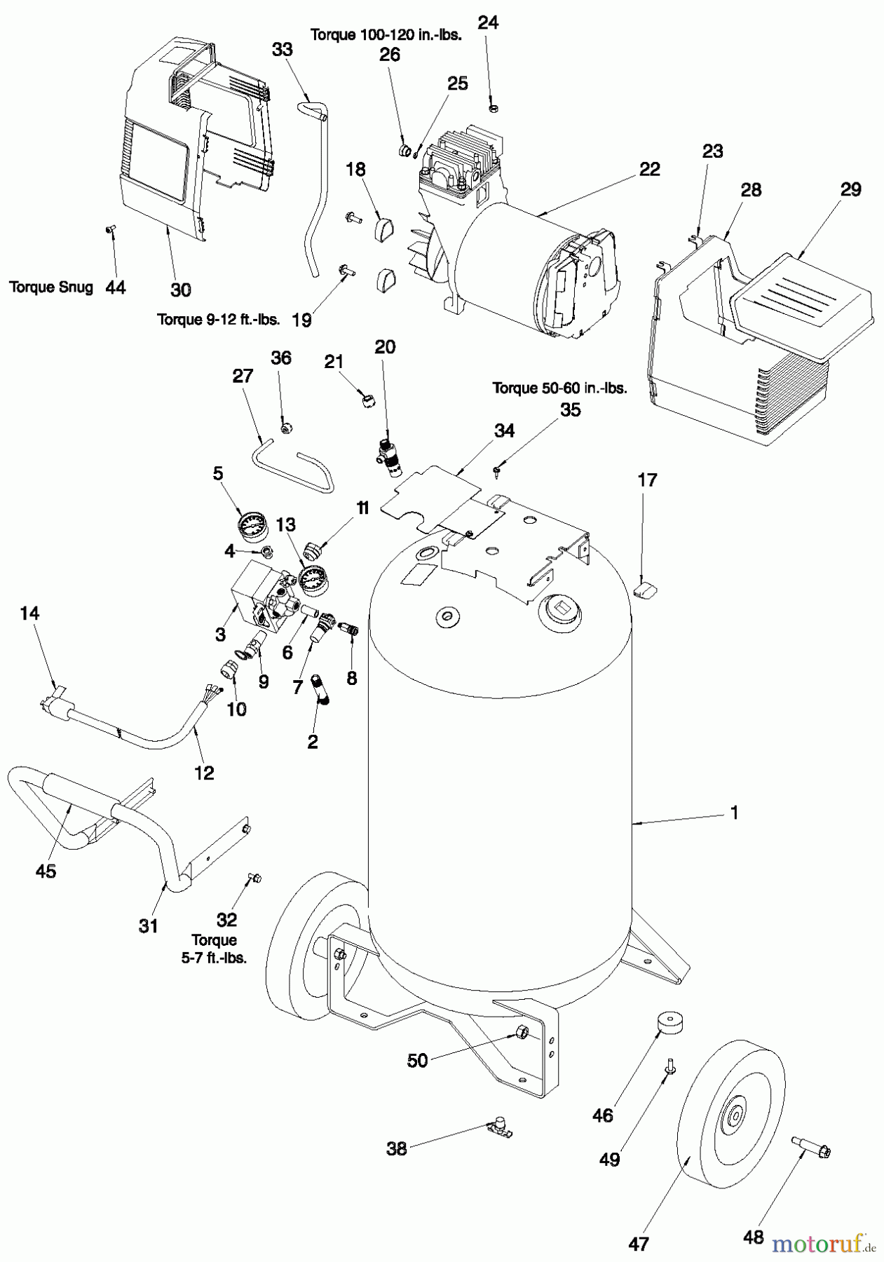
Hier finden Sie die Ersatzteilzeichnung für PORTER CABLE Divers A 6.0HP 25G VP PL 1STG 12 CPF6025VP Seite 1. Wählen Sie das benötigte Ersatzteil aus der Ersatzteilliste Ihres PORTER CABLE Gerätes aus und bestellen Sie einfach online. Viele PORTER CABLE Ersatzteile halten wir ständig in unserem Lager für Sie bereit.


Qualitätsmanagement
Informieren Sie uns, wenn Sie einen Fehler gefunden haben.

