CRAFTSMAN NAILERS 63 MM STIFT NAGLER CMPFN16SB Ersatzteile
CMPFN16SB 63 MM STIFT NAGLER

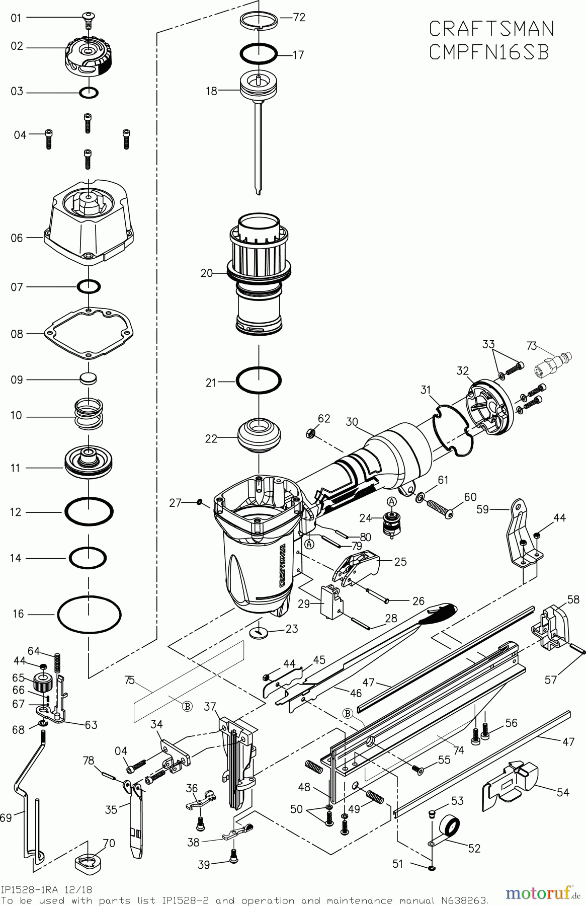
Hier finden Sie die Ersatzteilzeichnung für CRAFTSMAN CORDLESS NAILERS 63 MM STIFT NAGLER CMPFN16SB Seite 1. Wählen Sie das benötigte Ersatzteil aus der Ersatzteilliste Ihres CRAFTSMAN Gerätes aus und bestellen Sie einfach online. Viele CRAFTSMAN Ersatzteile halten wir ständig in unserem Lager für Sie bereit.


Qualitätsmanagement
Informieren Sie uns, wenn Sie einen Fehler gefunden haben.

