CRAFTSMAN COMPRESSOR WERKZEUGSATZ CMEC1KIT18R Ersatzteile
CMEC1KIT18R WERKZEUGSATZ

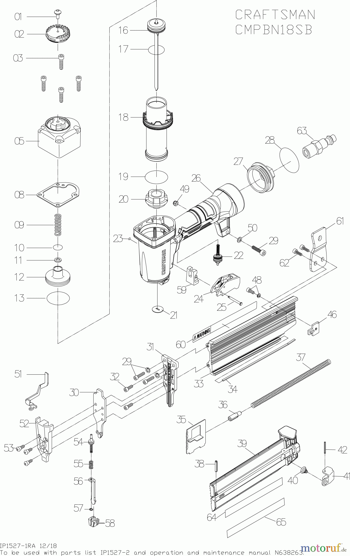
Hier finden Sie die Ersatzteilzeichnung für CRAFTSMAN CORDED COMPRESSOR WERKZEUGSATZ CMEC1KIT18R Seite 1. Wählen Sie das benötigte Ersatzteil aus der Ersatzteilliste Ihres CRAFTSMAN Gerätes aus und bestellen Sie einfach online. Viele CRAFTSMAN Ersatzteile halten wir ständig in unserem Lager für Sie bereit.
| BildNr | Artikel Nummer | Bezeichnung | |
| 1 | SB-N252499 | LUFTSTUTZEN | |


Qualitätsmanagement
Informieren Sie uns, wenn Sie einen Fehler gefunden haben.

