CRAFTSMAN SAW SHELL 20V MAX BRUSHLESS 7 CMCS550BLW Ersatzteile
CMCS550BLW SHELL 20V MAX BRUSHLESS 7

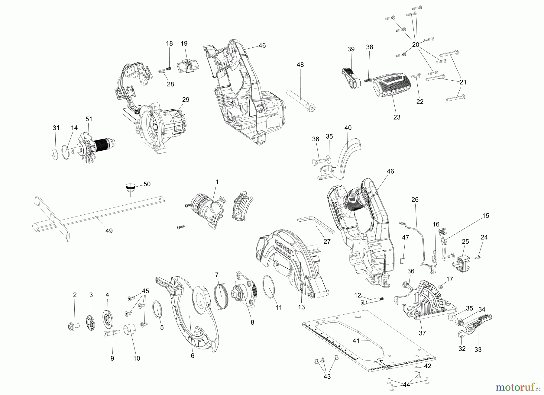
Hier finden Sie die Ersatzteilzeichnung für CRAFTSMAN CDLS SAW SHELL 20V MAX BRUSHLESS 7 CMCS550BLW Seite 1. Wählen Sie das benötigte Ersatzteil aus der Ersatzteilliste Ihres CRAFTSMAN Gerätes aus und bestellen Sie einfach online. Viele CRAFTSMAN Ersatzteile halten wir ständig in unserem Lager für Sie bereit.


Qualitätsmanagement
Informieren Sie uns, wenn Sie einen Fehler gefunden haben.

