Einstellungen Computer

CRAFTSMAN DRILLS DREHHAMMER CMCH234BR Ersatzteile

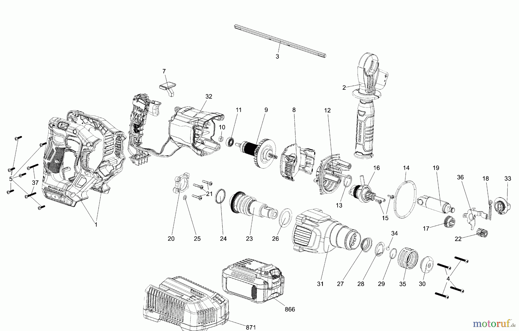
CMCH234BR DREHHAMMER

 CRAFTSMAN CORDLESS DRILLS DREHHAMMER CMCH234BR Seite 1

Hier finden Sie die Ersatzteilzeichnung für CRAFTSMAN CORDLESS DRILLS DREHHAMMER CMCH234BR Seite 1. Wählen Sie das benötigte Ersatzteil aus der Ersatzteilliste Ihres CRAFTSMAN Gerätes aus und bestellen Sie einfach online. Viele CRAFTSMAN Ersatzteile halten wir ständig in unserem Lager für Sie bereit.

Rasen
Bankeinzug, MasterCard, Visa, American Express, PayPal, Nachnahme, Vorauskasse, Sofortüberweisung
Datenschutzerklärung Impressum
Qualitätsmanagement
Informieren Sie uns, wenn Sie einen Fehler gefunden haben.