CRAFTSMAN DRILLS 20V SDS ROTARY HAMR CMCH233B Ersatzteile
CMCH233B 20V SDS ROTARY HAMR

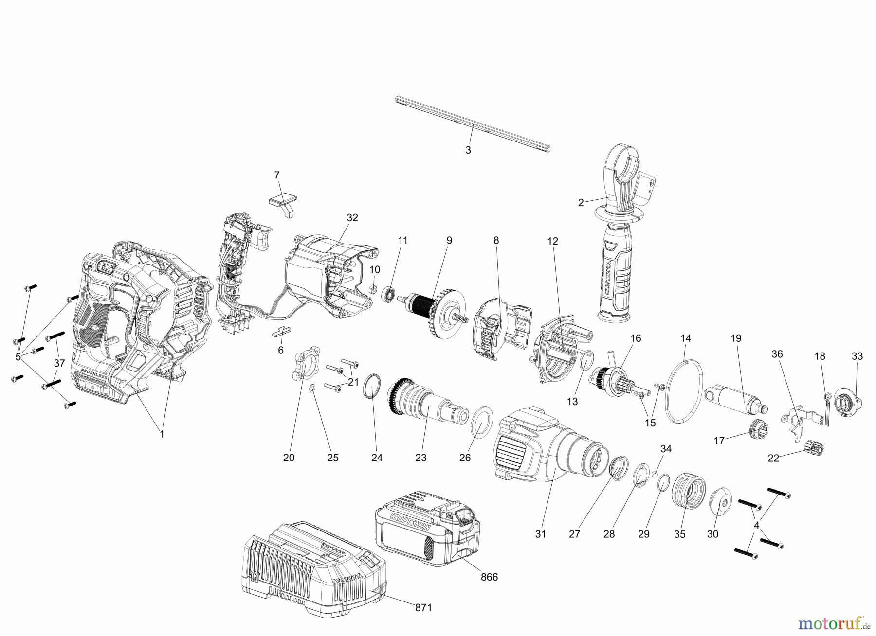
Hier finden Sie die Ersatzteilzeichnung für CRAFTSMAN CORDLESS DRILLS 20V SDS ROTARY HAMR CMCH233B Seite 1. Wählen Sie das benötigte Ersatzteil aus der Ersatzteilliste Ihres CRAFTSMAN Gerätes aus und bestellen Sie einfach online. Viele CRAFTSMAN Ersatzteile halten wir ständig in unserem Lager für Sie bereit.



