CRAFTSMAN SAW KETTENSÄGE CMCCS630P1 Ersatzteile
CMCCS630P1 KETTENSÄGE

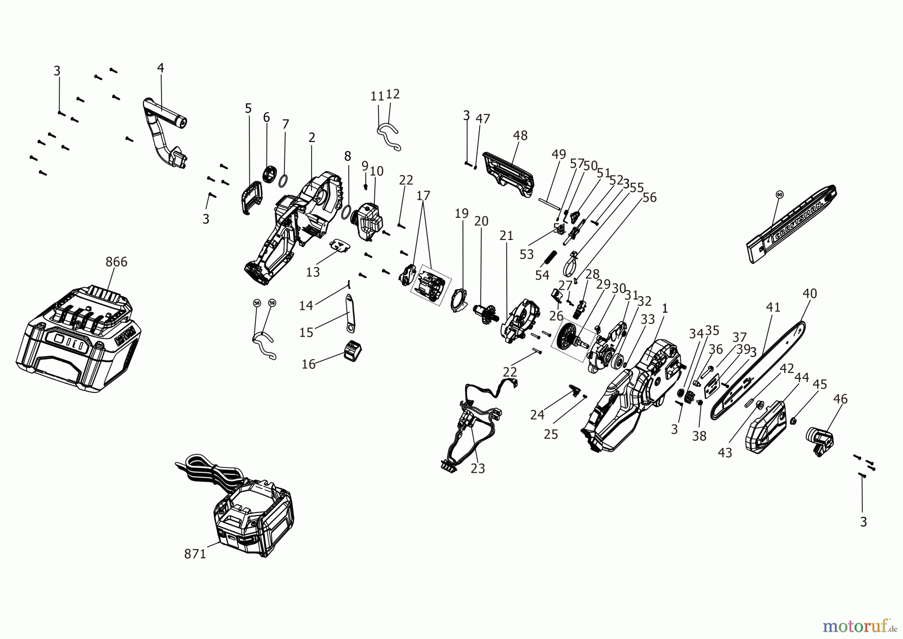
Hier finden Sie die Ersatzteilzeichnung für CRAFTSMAN CDLS SAW KETTENSÄGE CMCCS630P1 Seite 1. Wählen Sie das benötigte Ersatzteil aus der Ersatzteilliste Ihres CRAFTSMAN Gerätes aus und bestellen Sie einfach online. Viele CRAFTSMAN Ersatzteile halten wir ständig in unserem Lager für Sie bereit.


Qualitätsmanagement
Informieren Sie uns, wenn Sie einen Fehler gefunden haben.

