BLACK+DECKER 12V COMPACT DRILL CDC120ASB Ersatzteile
CDC120ASB 12V COMPACT DRILL

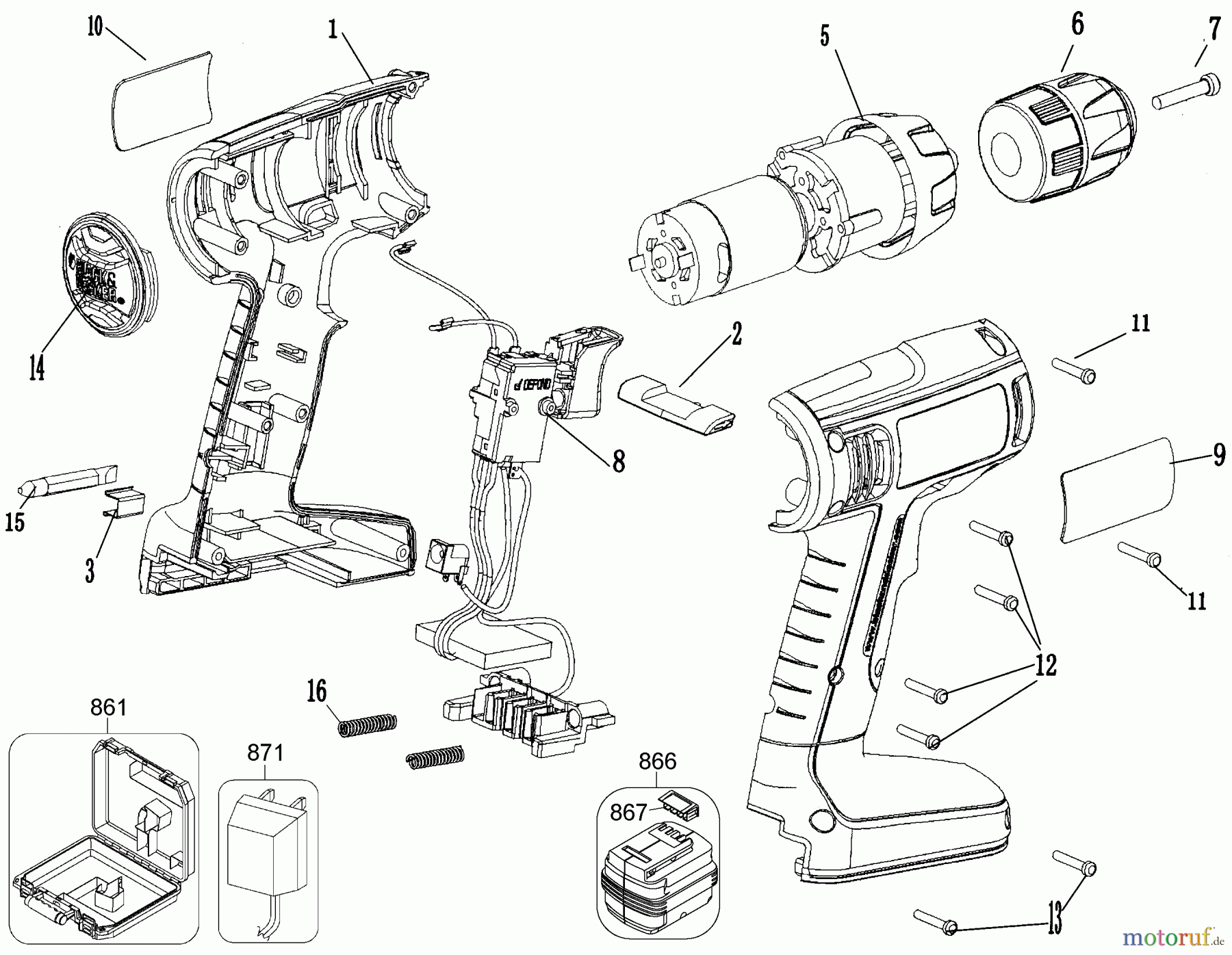
Hier finden Sie die Ersatzteilzeichnung für BLACK+DECKER Divers 12V COMPACT DRILL CDC120ASB Seite 1. Wählen Sie das benötigte Ersatzteil aus der Ersatzteilliste Ihres BLACK+DECKER Gerätes aus und bestellen Sie einfach online. Viele BLACK+DECKER Ersatzteile halten wir ständig in unserem Lager für Sie bereit.



