BOSTITCH COM 4.0G 135PSI 120V CAP2041ST-OL Ersatzteile
CAP2041ST-OL COM 4.0G 135PSI 120V

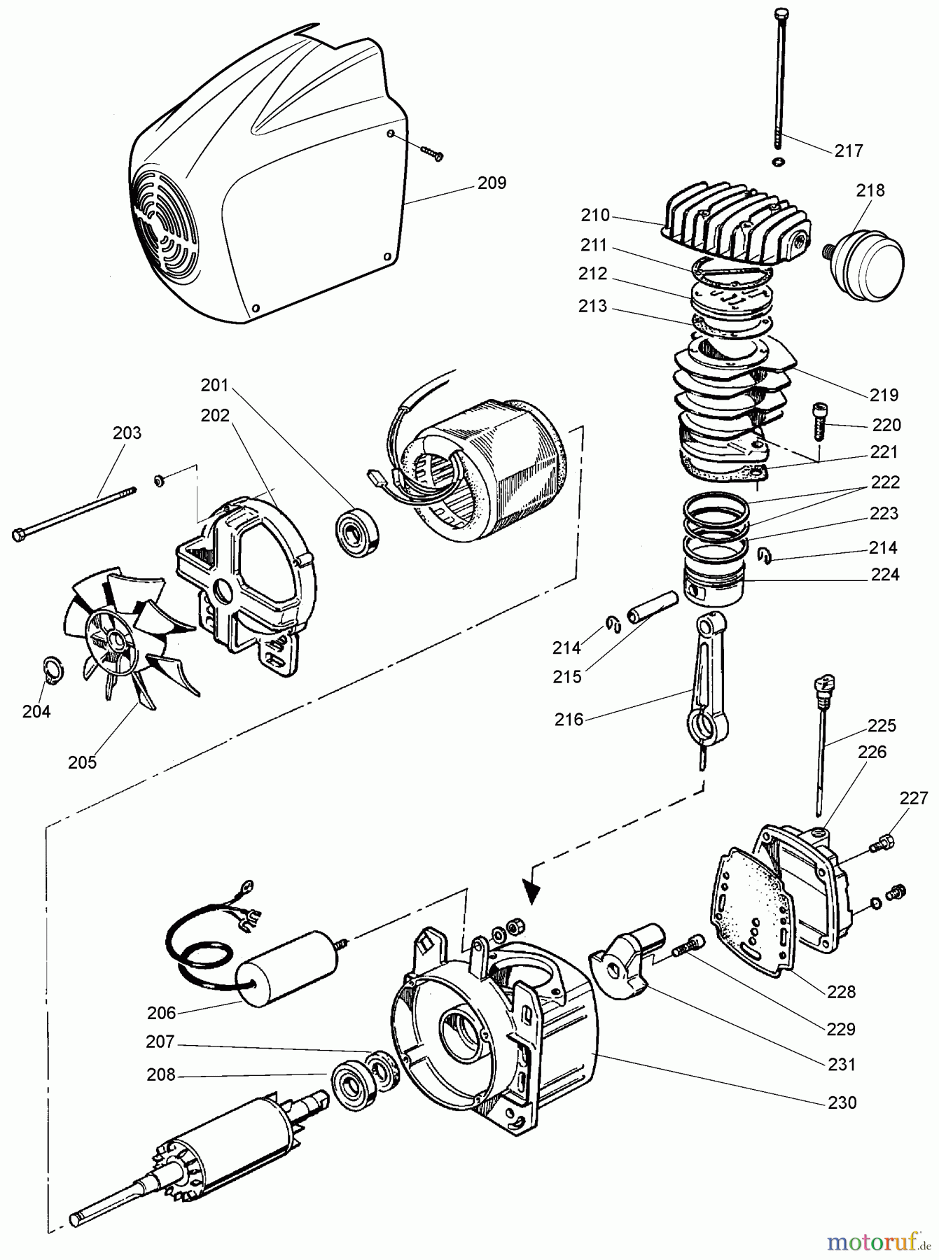
Hier finden Sie die Ersatzteilzeichnung für BOSTITCH COMPRESSORS COM 4.0G 135PSI 120V CAP2041ST-OL Seite 1. Wählen Sie das benötigte Ersatzteil aus der Ersatzteilliste Ihres BOSTITCH Gerätes aus und bestellen Sie einfach online. Viele BOSTITCH Ersatzteile halten wir ständig in unserem Lager für Sie bereit.


Qualitätsmanagement
Informieren Sie uns, wenn Sie einen Fehler gefunden haben.

