PORTER CABLE A 1.7HP 20G HP PL 1STG 12 C5101 Ersatzteile
C5101 A 1.7HP 20G HP PL 1STG 12

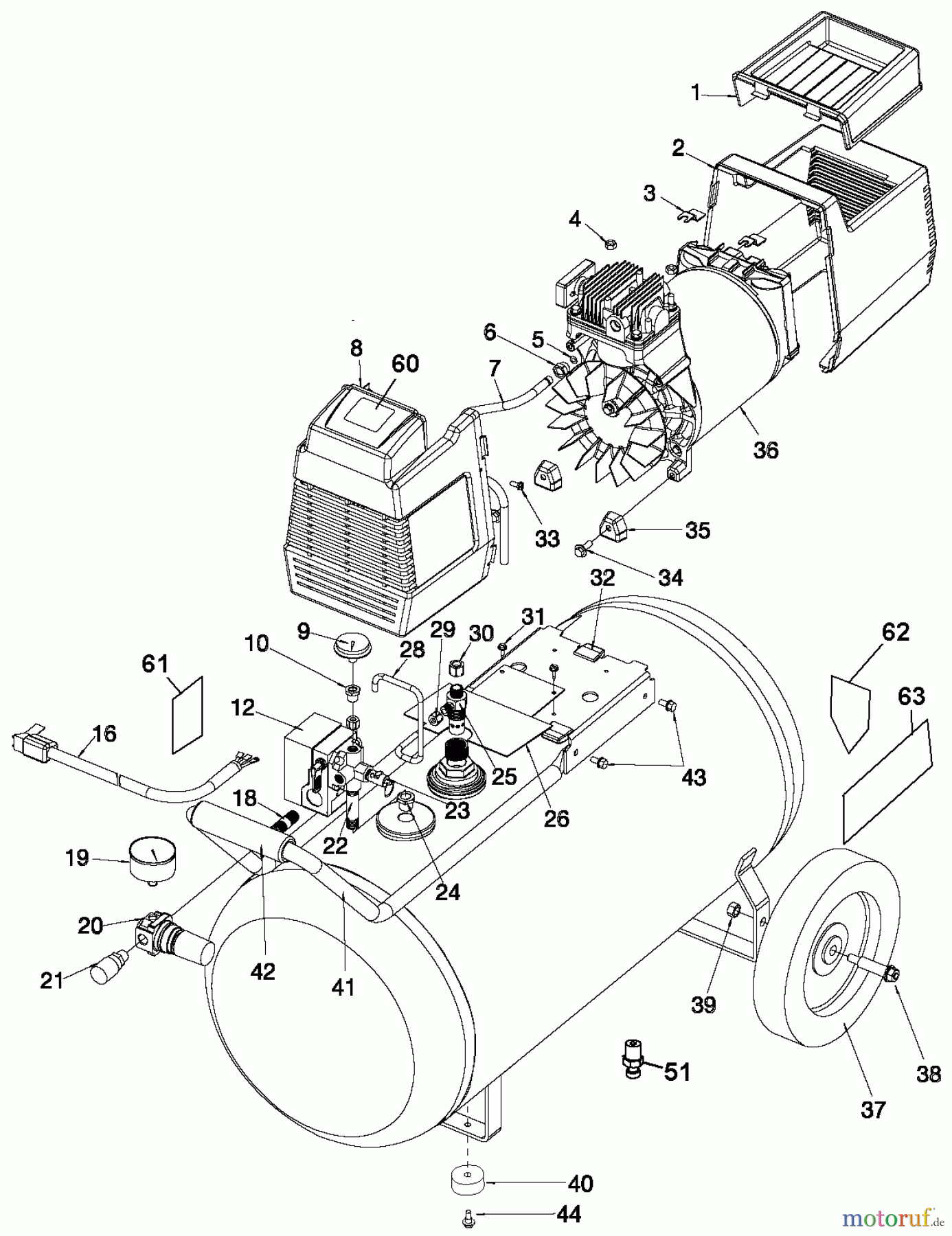
Hier finden Sie die Ersatzteilzeichnung für PORTER CABLE Divers A 1.7HP 20G HP PL 1STG 12 C5101 Seite 1. Wählen Sie das benötigte Ersatzteil aus der Ersatzteilliste Ihres PORTER CABLE Gerätes aus und bestellen Sie einfach online. Viele PORTER CABLE Ersatzteile halten wir ständig in unserem Lager für Sie bereit.


Qualitätsmanagement
Informieren Sie uns, wenn Sie einen Fehler gefunden haben.

