DEVILBISS SCHRAUBENDREHER BS540E Ersatzteile
BS540E SCHRAUBENDREHER

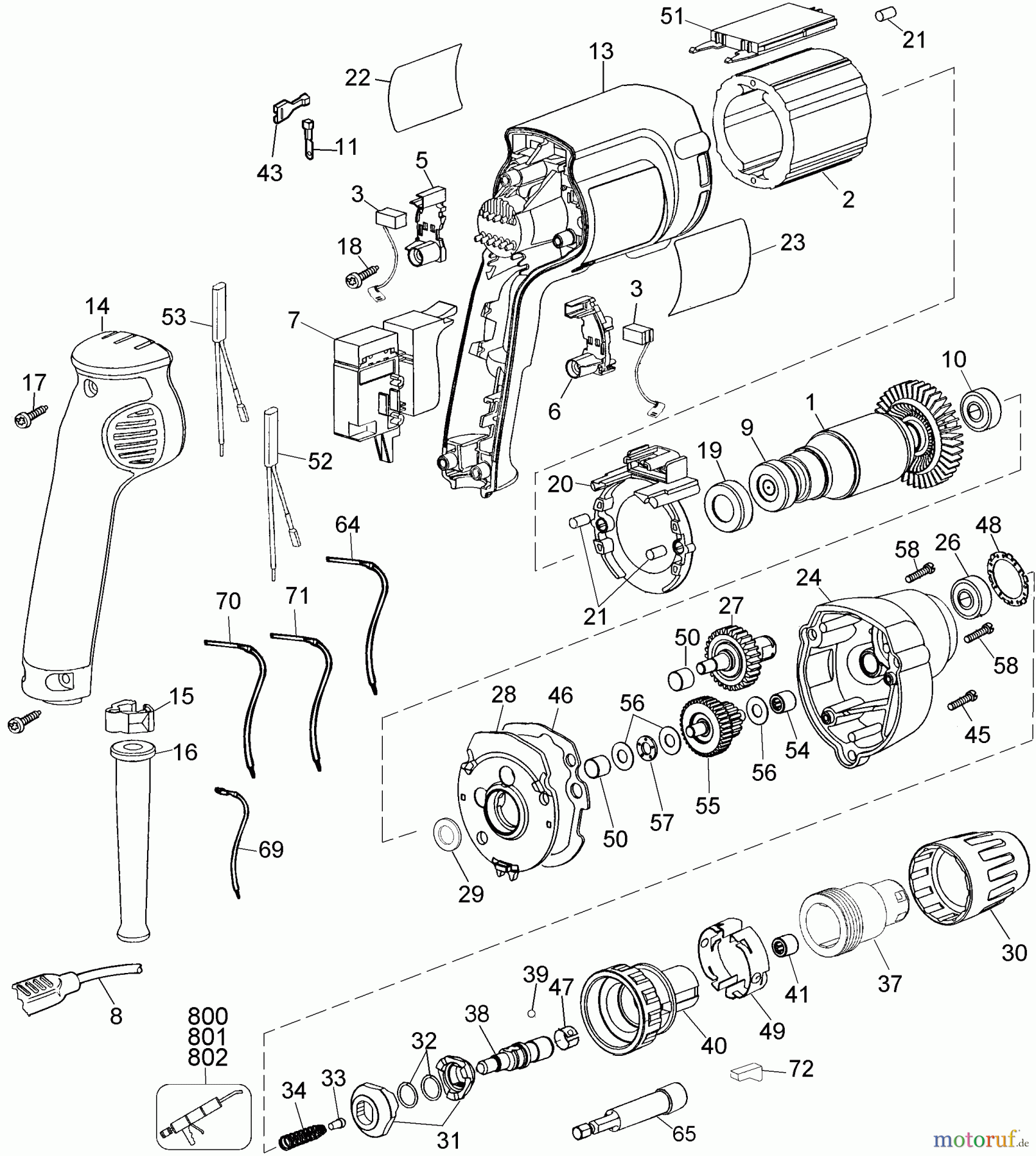
Hier finden Sie die Ersatzteilzeichnung für DEVILBISS Divers SCHRAUBENDREHER BS540E Seite 1. Wählen Sie das benötigte Ersatzteil aus der Ersatzteilliste Ihres DEVILBISS Gerätes aus und bestellen Sie einfach online. Viele DEVILBISS Ersatzteile halten wir ständig in unserem Lager für Sie bereit.


Qualitätsmanagement
Informieren Sie uns, wenn Sie einen Fehler gefunden haben.

