BLACK+DECKER BOHRER, MAGNETBOHRMASCHINE, GEWINDESCHNEIDER BOHRER BPDR5510 Ersatzteile
BPDR5510 BOHRER

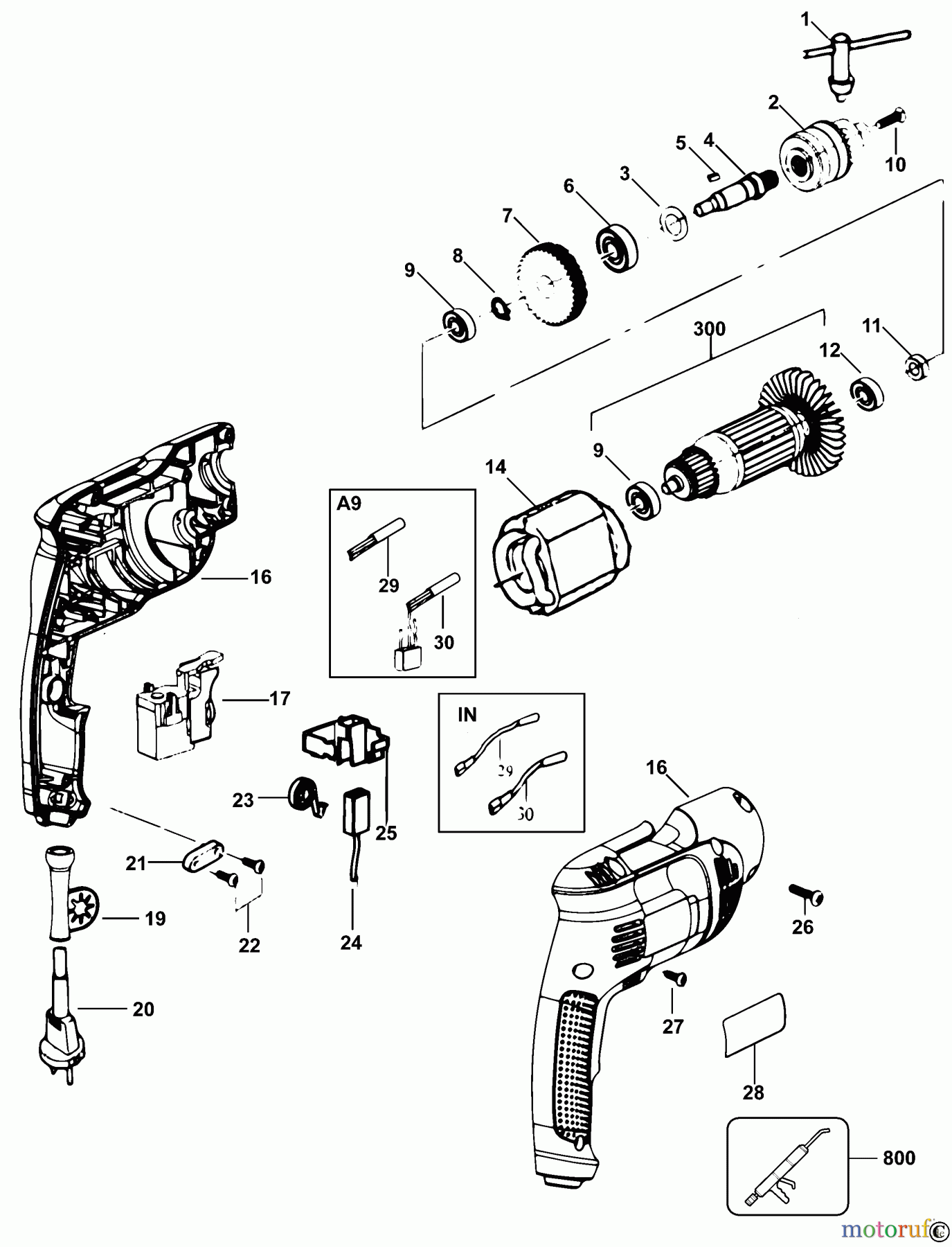
Hier finden Sie die Ersatzteilzeichnung für BLACK+DECKER PROFESSIONELL BOHRER, MAGNETBOHRMASCHINE, GEWINDESCHNEIDER BOHRER BPDR5510 Seite 1. Wählen Sie das benötigte Ersatzteil aus der Ersatzteilliste Ihres BLACK+DECKER Gerätes aus und bestellen Sie einfach online. Viele BLACK+DECKER Ersatzteile halten wir ständig in unserem Lager für Sie bereit.


Qualitätsmanagement
Informieren Sie uns, wenn Sie einen Fehler gefunden haben.

