PORTER CABLE 53445 BN200SB Ersatzteile
BN200SB 53445

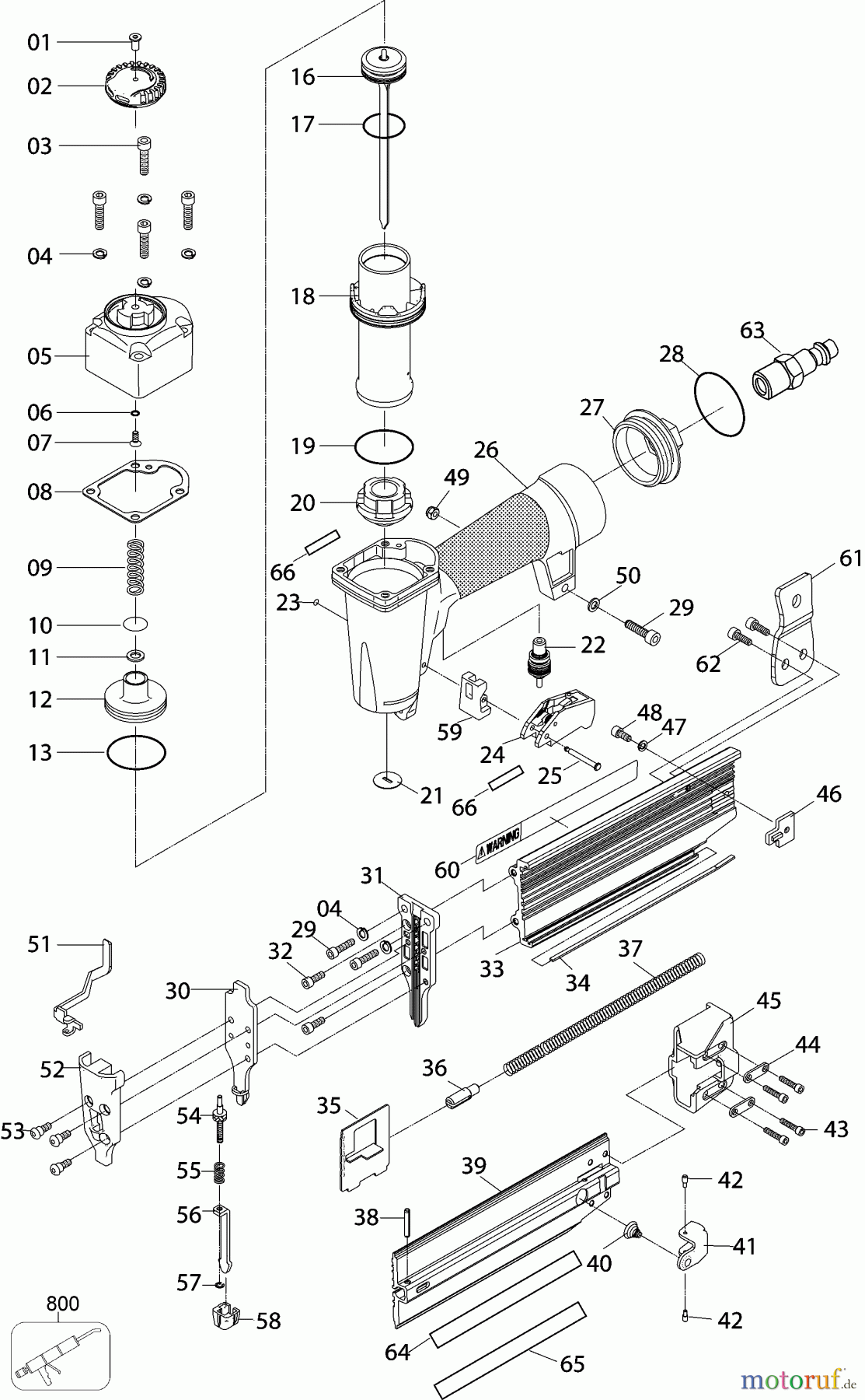
Hier finden Sie die Ersatzteilzeichnung für PORTER CABLE Divers 53445 BN200SB Seite 1. Wählen Sie das benötigte Ersatzteil aus der Ersatzteilliste Ihres PORTER CABLE Gerätes aus und bestellen Sie einfach online. Viele PORTER CABLE Ersatzteile halten wir ständig in unserem Lager für Sie bereit.


Qualitätsmanagement
Informieren Sie uns, wenn Sie einen Fehler gefunden haben.

