Massey Ferguson MF 19 SB 12AI186K695 (2012) Schnitthöhenverstellung Ersatzteile
Schnitthöhenverstellung 12AI186K695 (2012)

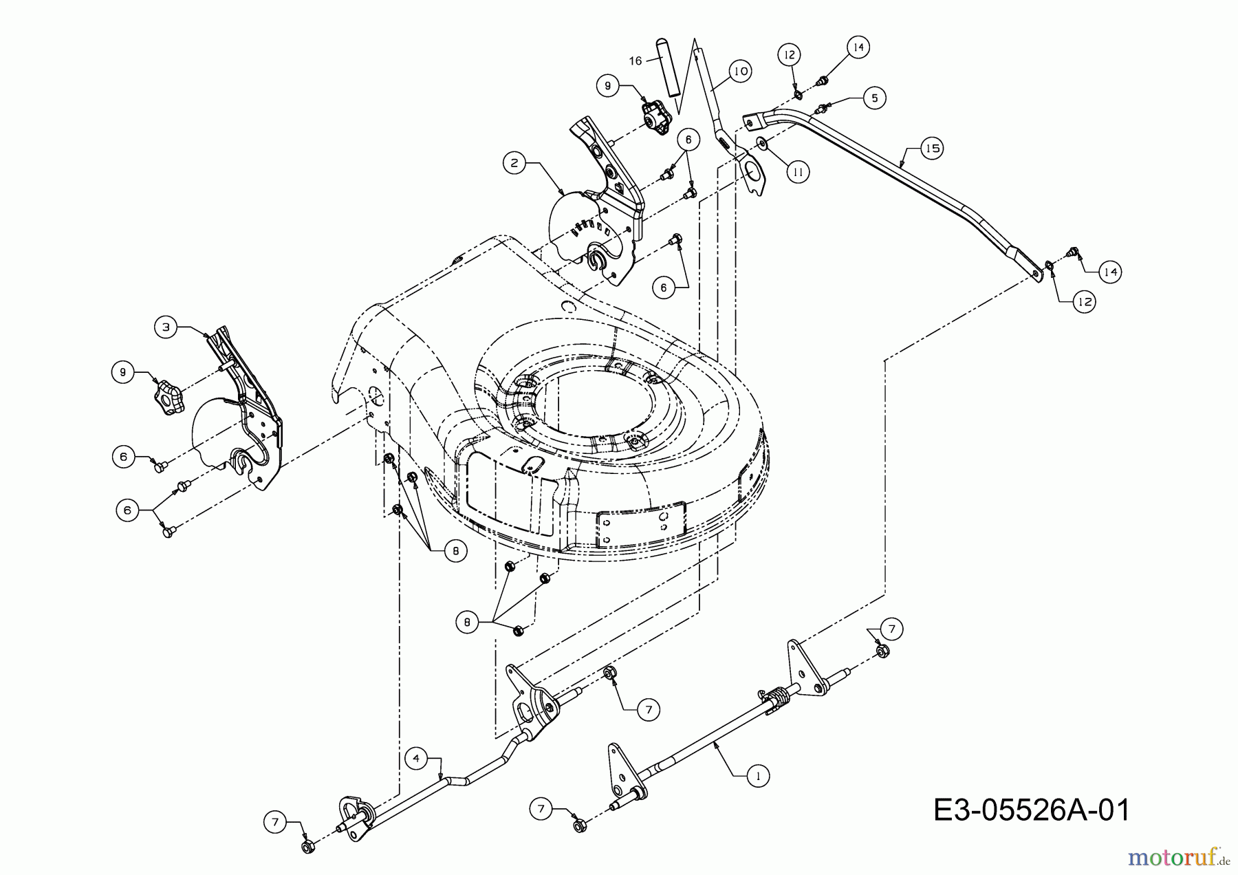
Hier finden Sie die Ersatzteilzeichnung für Massey Ferguson Motormäher mit Antrieb MF 19 SB 12AI186K695 (2012) Schnitthöhenverstellung. Wählen Sie das benötigte Ersatzteil aus der Ersatzteilliste Ihres Massey Ferguson Gerätes aus und bestellen Sie einfach online. Viele Massey Ferguson Ersatzteile halten wir ständig in unserem Lager für Sie bereit.


Qualitätsmanagement
Informieren Sie uns, wenn Sie einen Fehler gefunden haben.






